EasyManua.ls Logo

Marantz SR4400 - Page 18

Marantz SR4400
63 pages
Print Icon
To Next Page IconTo Next Page
To Next Page IconTo Next Page
To Previous Page IconTo Previous Page
To Previous Page IconTo Previous Page
Loading...
2827
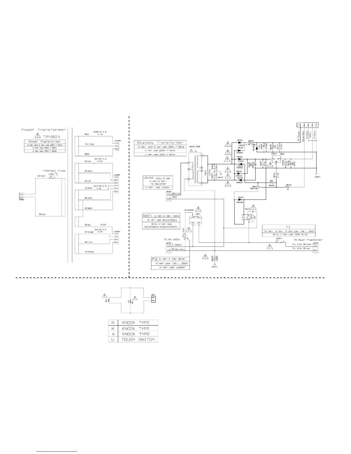
MAIN TRANSF.
TO STANDBY PC Board JW103
TO MAIN PC Board JFN301TO MAIN PC Board JFN701 TO MAIN PC Board JFN401
STANDBY PC Board
JFN102
POWER
(MAINS) SW
PC Board
JP1
MAINS INLET
MAINS PLUG
TO MAIN PC Board
MAINS SW
STANDBY
PC Board
JW102
POWER(MAINS) SW PC Board

Other manuals for Marantz SR4400

Related product manuals