EasyManua.ls Logo

Marantz SR4400 - IC Data

Marantz SR4400
63 pages
Print Icon
To Next Page IconTo Next Page
To Next Page IconTo Next Page
To Previous Page IconTo Previous Page
To Previous Page IconTo Previous Page
Loading...
41
SG5
SG6
SG7
SG8
SG9
SG10
SG11
SG16
SG12
SG17
SG13
SG18
SG14
SG19
SG15
SG20
17
18
19
20
21
22
23
28
24
29
25
30
26
31
27
32
38
33
39
34
40
35
41
36
42
37
43
44
45
46
47
48
54
49
55
50
56
51
57
52
58
53
59
60
61
62
63
64
SG21
SG22
SG23
SG24
SG25
SG28
SG33
SG27
SG32
SG26
SG29
SG34
SG30
SG35
SG31
GR1
GR7
GR2
GR8
GR3
GR9
GR4
GR10
GR5
GR11
GR6
GR12
GR13
GR1
4
GR15
GR1
6
VEE
CLKB
VSS
DIN
OSCI
VDD
OSCO
P1
RSTB
P2
CSB
AD2
SG1
SG2
SG3
SG4
AD1
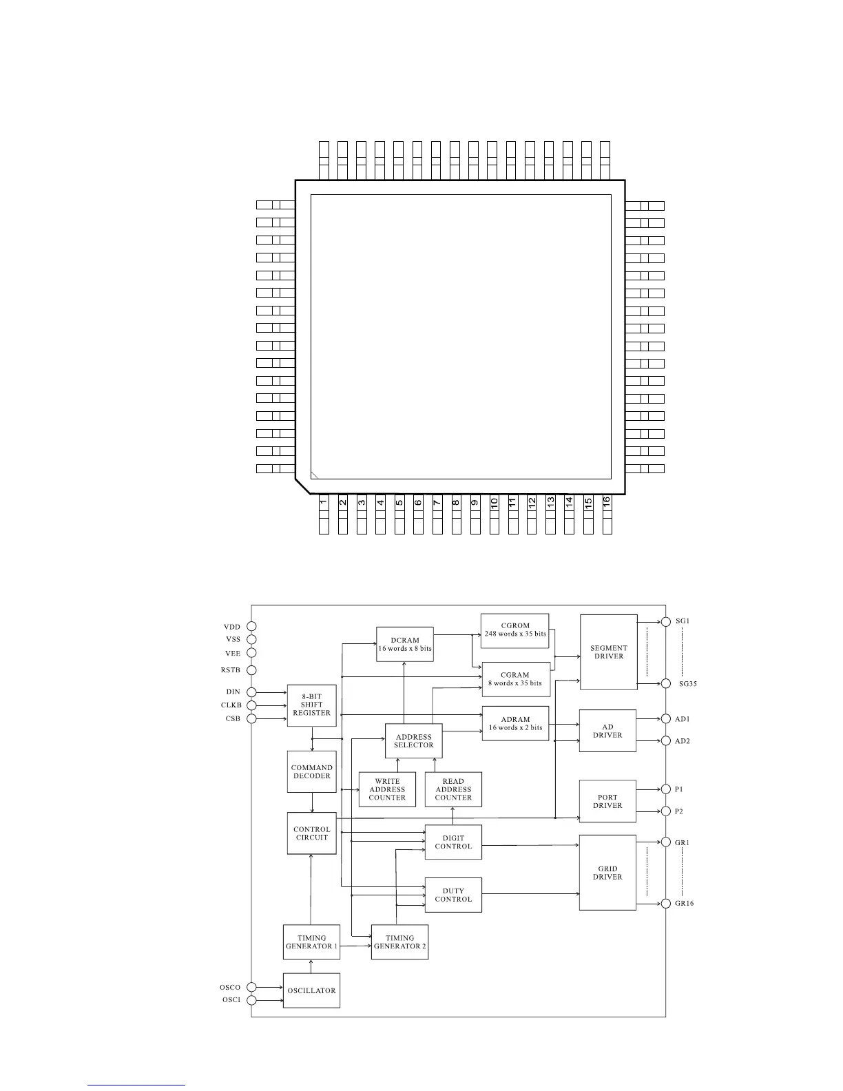
7. IC DATA
ICF101 : PT6302

Other manuals for Marantz SR4400

Related product manuals