EasyManua.ls Logo

Marantz SR6300 - Connecting Audio Components; Connecting Analog Audio Sources; Connecting Digital Audio Components

Marantz SR6300
43 pages
Print Icon
To Next Page IconTo Next Page
To Next Page IconTo Next Page
To Previous Page IconTo Previous Page
To Previous Page IconTo Previous Page
Loading...
11
ENGLISH
(75
)
GND
AM
FM
AUDIO
CENTER
REMOTE CONTROL
OUT
CENTER
SURR.
CENTER
SURR.
100W MAX
SWITCHED
LR
AC OUTLET
(230V 50Hz)
CENTERSURR.CENTER
SURROUND
FRONT
TOR
MONI
S
-
VIDEO
VIDEO
OUT
VCR2
DSS /
VCR2
DSS /
VCR1
VCR1
MONITOR
VCR2
DSS /
TV
DVD
VCR1
IN
TV
VCR1
DVD
VCR2
DSS /
IN
TV
VCR1
DVD
VCR2
DSS /
IN
TAPE
TAPE
/ MD
CDR
CD
RL
IN
VCR2
DSS /
VCR1
OUT
R
L
IN / OUT
DIGITAL
DIG.OUT OPT
DIG - 1 IN
DIG - 2 IN
DIG.OUT COAX
DIG - 3 IN
DIG - 4 IN
FRONT
SURR.
CENTER
SURR.
FRONT
WOOFER
SUB
WOOFER
SUB
RL
RL
OUT
PRE
INPUT
6.1CH
ANTENNA
DIG - 5 IN
/ MD
CDR
MODEL NO. SR6300
AC IN
OUT
AUDIOREMOTE CONTROL
OUT
TV
VCR1
DVD
VCR2
DSS /
IN
TAPE
TAPE
/ MD
CDR
CD
RL
IN
VCR2
DSS /
VCR1
OUT
R
L
IN / OUT
DIGITAL
DIG.OUT OPT
DIG - 1 IN
DIG - 2 IN
DIG.OUT COAX
DIG - 3 IN
DIG - 4 IN
/ MD
CDR
OUT IN
L
R
L
R
OUT
L
R
L R
L R
L RL R
L R
RL RL RL
OUT IN
L
R
L
R
DIGITAL
OUTPUT
DIGITAL
OUTPUT
DIGITAL
INPUT
R LRL
L R
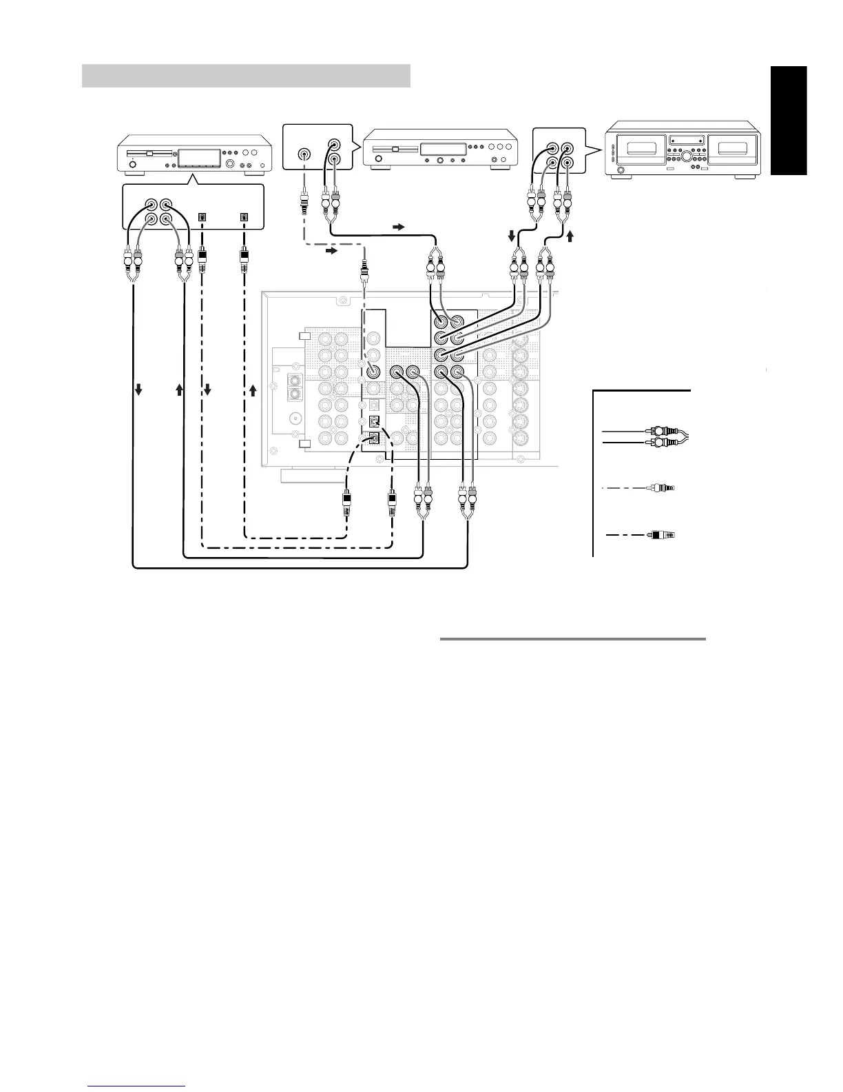
CONNECTING AUDIO COMPONENTS
The output audio signal from the TAPE OUT jack and the CD-R/MD
OUT jack is the sound source currently selected.
CAUTION
Do not connect this unit and other components to mains power
until all connections between components have been
completed.
NOTES
Insert all plugs and connectors securely. Incomplete
connections may make noise.
Be sure to connect the left and right channels properly.
Red connectors are for the R(right) channel, and white
connectors are for the L(left) channel.
Be sure to connect input and output properly.
Refer to the instructions for each component that is connected
with this unit.
Do not bind audio/video connection cables with power cords
and speaker cables will result in generating hum or other noise.
CONNECTING DIGITAL AUDIO COMPONENTS
There are four digital inputs, two coaxial jacks and two optical jacks,
on the rear panel. You can use these jacks to input PCM, Dolby
Digital and DTS bitstream signals from a CD, DVD, or other digital
source components.
There are one digital output with coaxial jack and one with optical
jack on the rear panel. These jacks can be connected to CD
recorder, MD deck.
Setup the digital audio format of DVD player, or other digital source
component. Refer to the instructions for each component to be
connected to digital input jacks.
Use fiber optical cables(optical) for DIG-1,2 input jacks. Use 75
ohms coaxial cables(for digital audio or video) for DIG-3,4, 5 input
jacks.
You can designate the input for each digital input/output jacks
according to your component. See page 16.
NOTES
There is no Dolby Digital RF input jack. Please use an external
RF demodulator Dolby Digital decoder when connecting the
Dolby Digital RF output jack of the video disc player to the
digital input jack.
The digital signal jacks on this unit conform to the EIA
standard. If you use a cable that does not conform to this
standard, this unit may not function properly.
Each type of audio jack works independently. Signals input
through the digital and analog jacks are output through the
corresponding digital and analog jacks, respectively.
CD RECORDER / MD DECK
CD PLAYER
TAPE DECK
ANALOG AUDIO
DIGITAL AUDIO
(COAXIAL)
DIGITAL AUDIO
(OPTICAL)

Other manuals for Marantz SR6300

Related product manuals