EasyManua.ls Logo

Marantz SR7500/A1B - Page 52

Marantz SR7500/A1B
192 pages
Print Icon
To Next Page IconTo Next Page
To Next Page IconTo Next Page
To Previous Page IconTo Previous Page
To Previous Page IconTo Previous Page
Loading...
72
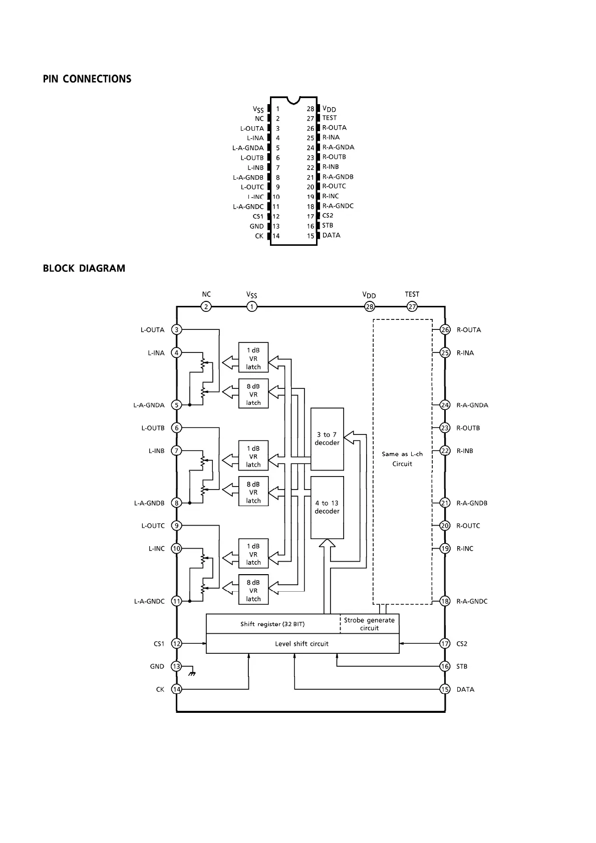
IC11, IC12 (VOLUME PCB) : TC9482

Related product manuals