EasyManua.ls Logo

Mariner 135 OPTIMAX - Air Handler

Default Icon
490 pages
Print Icon
To Next Page IconTo Next Page
To Next Page IconTo Next Page
To Previous Page IconTo Previous Page
To Previous Page IconTo Previous Page
Loading...
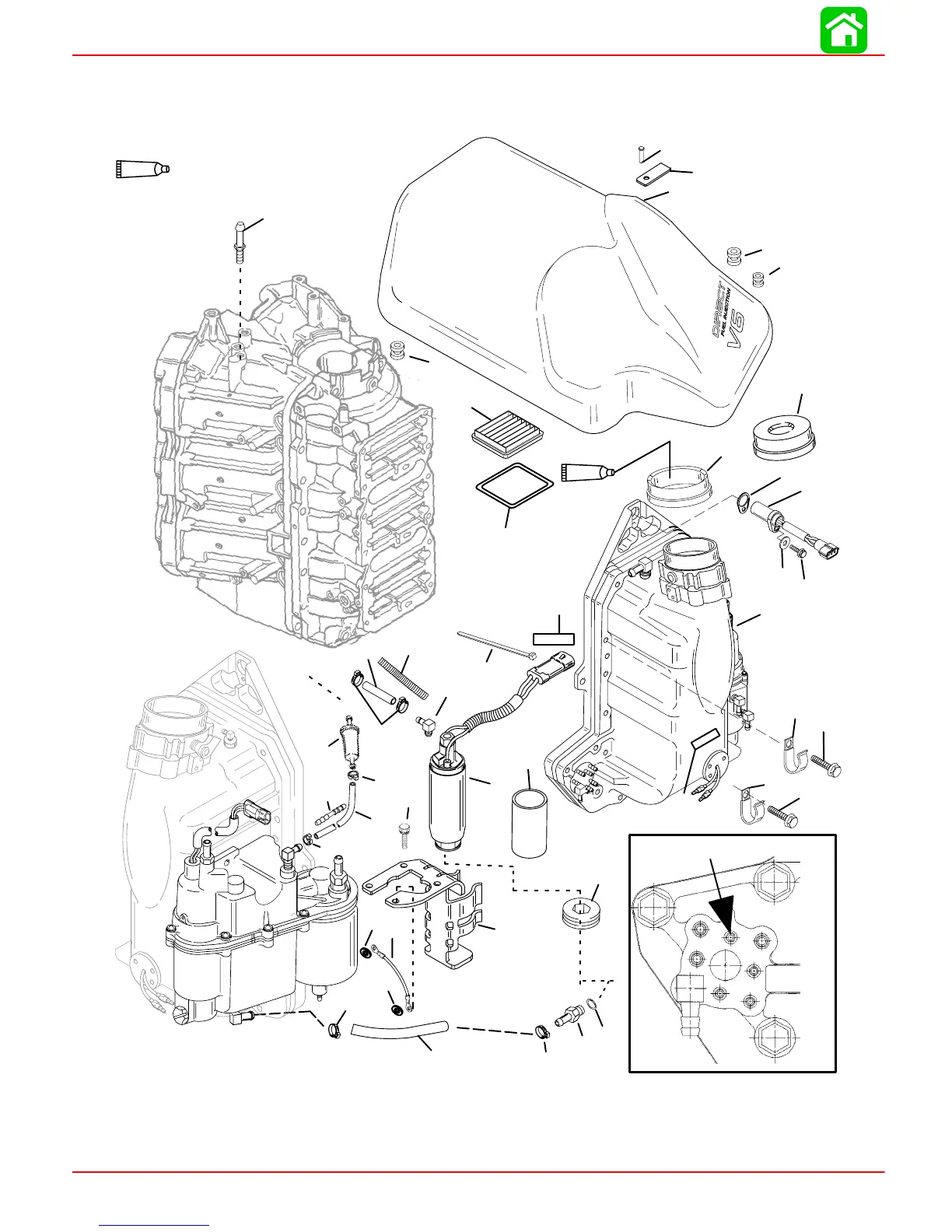
DIRECT FUEL INJECTION
Page 3B-6 90-855347R1 JANUARY 1999
Air Handler
A = OIL LINE TO COMPRESSOR
B = TO FITTING IN FLYWHEEL COVER
C = PRESS INTO TUBING
Loctite Superbonder 454 GEL
96
10
25
12
2
30
3
26
8
1
2
30
5
6
A
35
96
4
29
27
36
28
9
13
16
19
20
21
22
23
17
17
17
18
24
7
33
33
31
32
B
C
34
37
15
38
39
40
11
14

Table of Contents

Related product manuals