EasyManua.ls Logo

Mark ERV500 - Page 31

Mark ERV500
160 pages
Print Icon
To Next Page IconTo Next Page
To Next Page IconTo Next Page
To Previous Page IconTo Previous Page
To Previous Page IconTo Previous Page
Loading...
31
EN
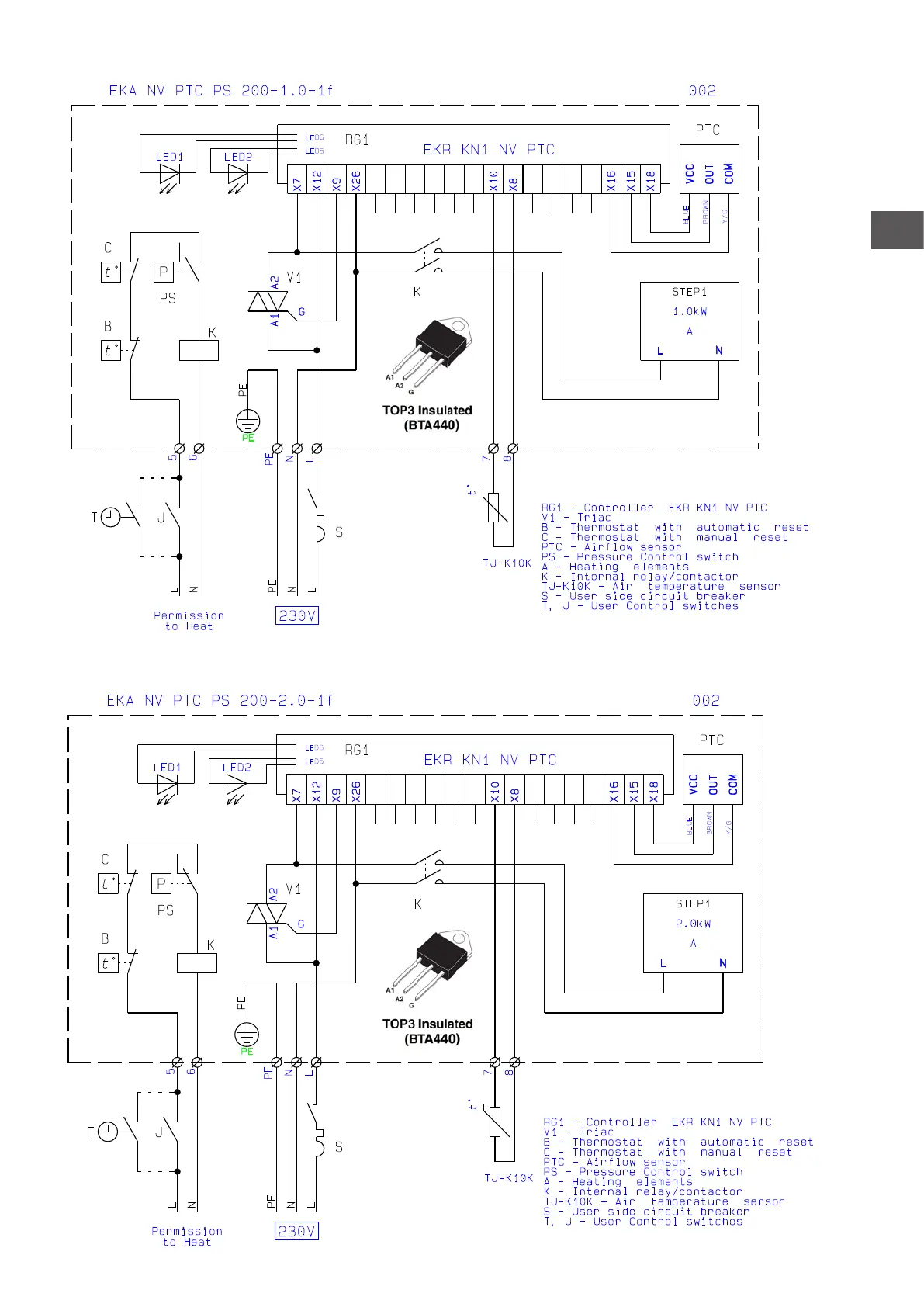
Electrical diagram 5997460 - Electric duct heater 1.0 kW for ERV 500
Electrical diagram 5997461 - Electric duct heater 2.0 kW for ERV 1000
1 2 3 4 5 6 7 8
1 2 3 4 5 6 7 8

Related product manuals