EasyManua.ls Logo

Mark ERV500 - Page 32

Mark ERV500
160 pages
Print Icon
To Next Page IconTo Next Page
To Next Page IconTo Next Page
To Previous Page IconTo Previous Page
To Previous Page IconTo Previous Page
Loading...
32
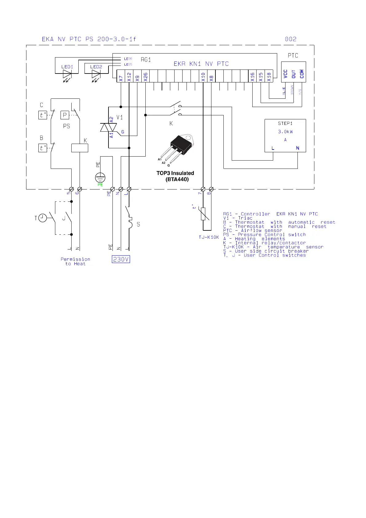
Electrical diagram 5997462 - Electric duct heater 3.0 kW for ERV 2000
1 2 3 4 5 6 7 8

Related product manuals