EasyManua.ls Logo

Marklin Digital 60657 - Zwei Mobile Station; Reset; Betrieb mit Zwei Mobile Station

Marklin Digital 60657
Print Icon
To Next Page IconTo Next Page
To Next Page IconTo Next Page
To Previous Page IconTo Previous Page
To Previous Page IconTo Previous Page
Loading...
21
B
!Pro Anlage darf nur
eine Gleisbox ange-
schlossen werden.
0
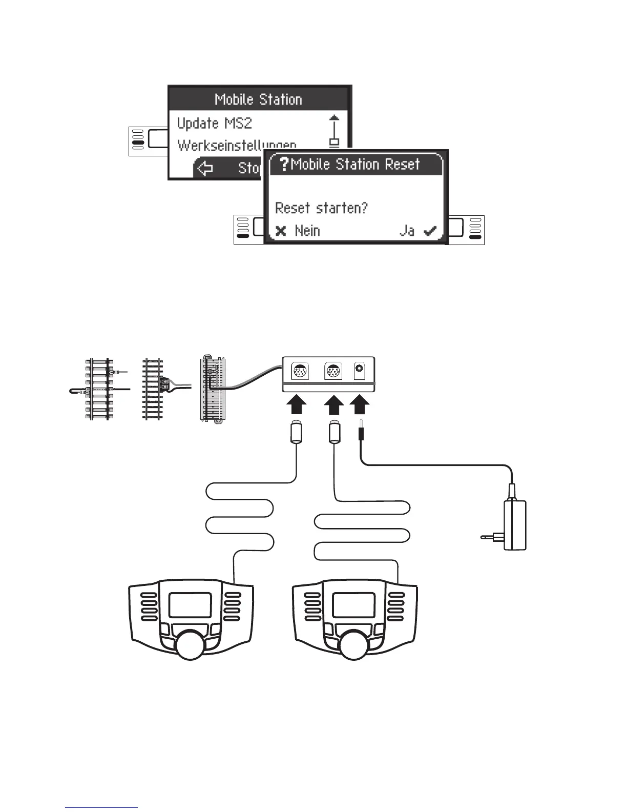
Es können maximal 2 Mobile Station an die Gleisbox angeschlossen werden. Es wird die
„Master“ Mobile Station automatisch erkannt. Die andere Mobile Station wird dann auf
„Slave“ eingestellt.
Das Anlegen, Erkennen und das Programmieren erfolgt nur durch die „Master“ Mobile
Station. Welche Lokomotiven in die „Slave“ Mobile Station übernommen werden, bestim-
men Sie.
Reset
Auswahl:
Werkseinstellung
Auswahl
Auswahl
!Achtung beim Reset werden alle Daten und Einstellungen gelöscht.
Werkseinstellungen MS2
Betrieb mit 2 Mobile Station
60657
und /oder
60653

Table of Contents

Related product manuals