EasyManua.ls Logo

Marley CDF552SE - Operación

Marley CDF552SE
30 pages
Print Icon
To Next Page IconTo Next Page
To Next Page IconTo Next Page
To Previous Page IconTo Previous Page
To Previous Page IconTo Previous Page
Loading...
OPERACIÓN
1. Ajuste el termostato (interior o remoto) a la temperatura más
alta. Esto energizará los elementos de calefacción y el venti-
lador y causará que el aire fluya desde el centro del calenta-
dor.
2. Después de verificar el funcionamiento, ajuste el termostato
para obtener el nivel de comodidad deseado.
AVISO: El calentador tiene un retardo de ventilador para cuan-
do se apaga el calentador.
El ventilador se energiza inmediatamente cuando el ter-
mostato enciende o activa los elementos.
El ventilador funcionará durante un corto tiempo después de que se
apagan los elementos de calefacción (aproximadamente 1 minuto).
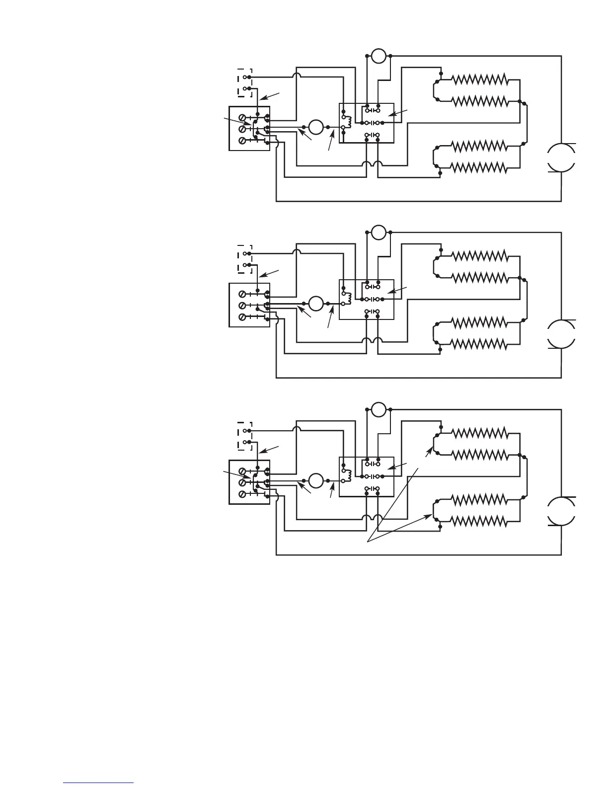
Conversion en el Campo para una Menor Capacidad
de Vatios (Figura 13)
Para convertir el calentador para una menor capacidad de
vatios, retire totalmente un (1) conductor rojo de puente de uno
de los elementos de calefacción para reducir el vataje en
un 25%. Retire totalmente dos (2) conductores rojos de puente
para reducir el vataje en un 50%. Deseche el puente o los
puentes. Asegúrese que los conductores restantes estén firme-
mente conectados.
Conversion para una Instalacion Trifasica
El calentador viene cableado de fábrica sólo para conexión
monofásica. Para convertirlo a trifásico, retire y deseche el con-
ductor azul de puente entre L1 y L3. (Vea la Figura 13).
17
FFiigguurraa 1133 DDiiaaggrraammaa ddee CCaabblleeaaddoo
Azul
Termóstato unipolar opcional de la
instalación del campo o termóstato
interno 2YU46 auxiliar
Termóstato unipolar opcional
de la instalación del campo o
termóstato interno 2YU46 auxil-
iar
Termóstato unipolar opcional
de la instalación del campo o
termóstato interno 2YU46 auxil-
iar
Blanco
Negro
Blanco
Negro
Negro
Negro
Negro
Negro
Negro
Azul
Rojo
Rojo
Bloque de ali-
mentación
Límite
alto
Contacto
Negro
Retardo del ventilador
Ventilador
Elemento 2
Elemento 1
Amarillo
Amarillo
L1
L2
L3
T1
T
2
T3
Diagrama de cableado estándar
(Cableado en fábrica)
Blanco
Negro
Blanco
Negro
Negro
Negro
Negro
Negro
Negro
Azul
Rojo
Rojo
Bloque de ali-
mentación
Límite
alto
Contacto
Negro
Retardo del
ventilador
Ventilador
Elemento 2
Elemento 1
Amarillo
Amarillo
L
1
L2
L
3
T
1
T
2
T
3
Conversión del cableado
para instalación trifásica
Azul
Blanco
Negro
Blanco
Negro
Negro
Negro
Negro
Negro
Negro
Azul
Rojo
Rojo
Bloque de ali-
mentación
Límite
alto
Negro
Retardo del
ventilador
Ventilador
Elemento 2
Elemento 1
Amarillo
Amarillo
L1
L2
L3
T1
T2
T3
Conversión del cableado
para un menor vataje
(monofásico)
Contacto
D
iagramas de Cableado
Retire un (1) puente rojo para obtener 3/4 del vataje indicado en la placa de identificación

Related product manuals