EasyManua.ls Logo

Marley CDF552SE - Page 27

Marley CDF552SE
30 pages
Print Icon
To Next Page IconTo Next Page
To Next Page IconTo Next Page
To Previous Page IconTo Previous Page
To Previous Page IconTo Previous Page
Loading...
FONCTIONNEMENT
1. Régler le thermostat (interne ou distant) à la position de
température la plus élevée. Ceci excite les éléments chauf-
fants et le ventilateur, et fait circuler l'air à partir du centre du
radiateur.
2. Après une vérification du fonc-tionnement, régler le thermo-
stat à une zone de confort.
REMARQUE : Le radiateur contient un temporisateur de ventila-
teur à l'extinction.
Le ventilateur est excité immédiate-ment lorsque le thermo-
stat active les éléments.
Le ventilateur fonctionne pendant une courte période de
temps après que les éléments chauffants ont été désactivés
(environ 1 minute).
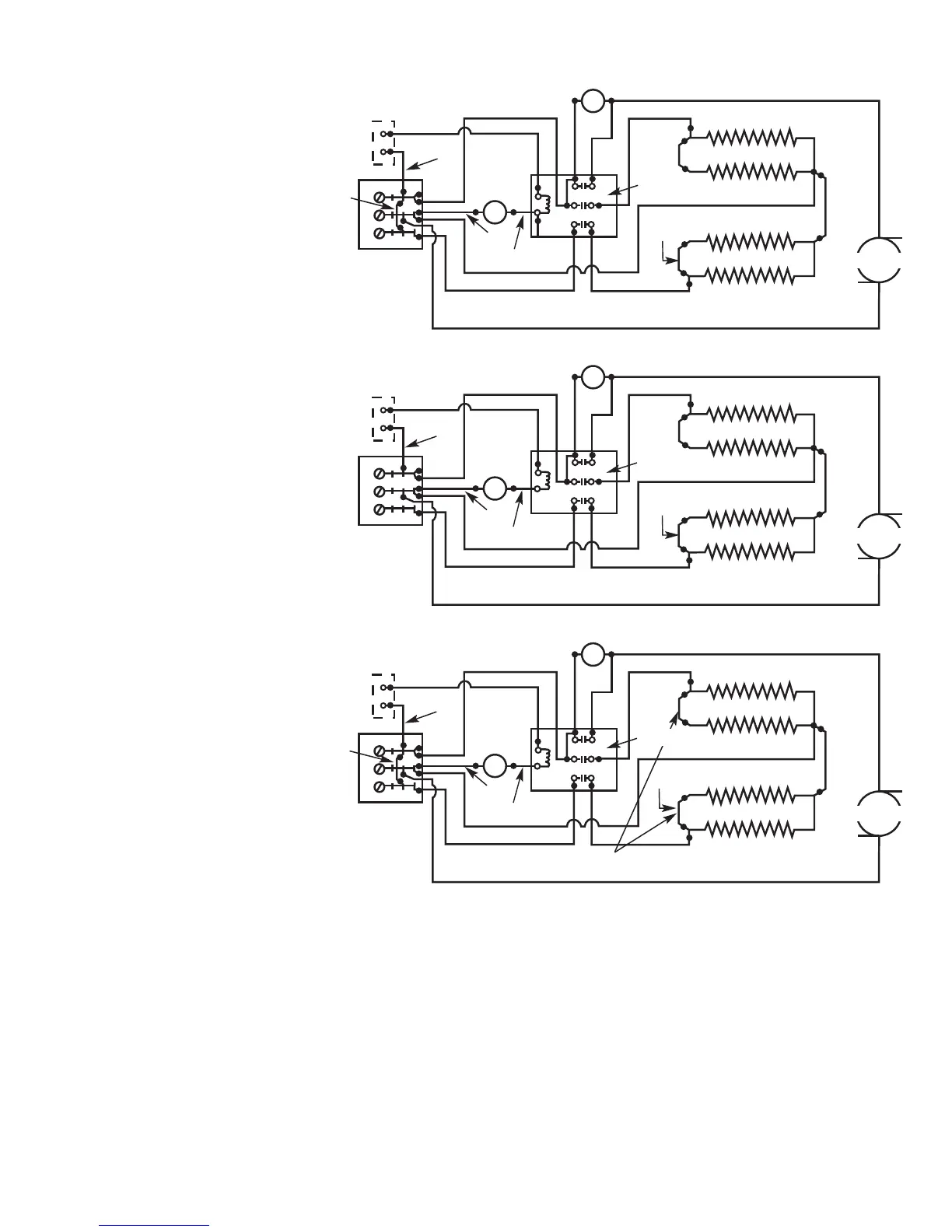
Conversion sur le site à une puissance plus basse
(Figure 13)
Pour convertir le radiateur à une puissance plus basse, enlever
complètement un (1) cavalier rouge d'un élément chauffant pour
réduire la puissance de 25 %. Enlever com-plètement deux (2)
cavaliers rouges pour réduire de 50 %. Jeter le ou les cavaliers.
S'assurer que les fils restants sont connectés fermement.
Conversion pour une installation 3 Ø
Le radiateur est câblé en usine pour une connexion 1 Ø seule-
ment. Pour convertir à 3 Ø, enlever et jeter le cavalier bleu entre
L1 et L3. (Voir la Figure 13).
27
FFiigguurree 1133 DDiiaaggrraammaa ddee CCaabblleeaaddoo
Bleu
Blanc
Noir
Blanc
Noir
Noir
Noir
Noir
Noir
Noir
Bleu
Rouge
Bloc d'alimenta-
tion
Limite
supérieure
Contacteur
Noir
Temporisation de
ventilateur
Ventilateur
Élément 2
Élément 1
Jaune
Jaune
L
1
L
2
L
3
T
1
T
2
T
3
Schéma de
câblage standard (Câblage
de l'usine)
Blanc
Noir
Blanc
Noir
Noir
Noir
Noir
Noir
Noir
Bleu
Rouge
Bloc d'alimenta-
tion
Limite
supérieure
Contacteur
Noir
Temporisation de
ventilateur
Ventilateur
Élément 2
Élément 1
Jaune
Jaune
L
1
L
2
L
3
T1
T
2
T
3
Conversion
pour une installation 3
Ø
Bleu
Blanc
Noir
Blanc
Noir
Noir
Noir
Noir
Noir
Noir
Bleu
Rouge
Rouge
Bloc d'alimentation
Limite
supérieure
Noir
Temporisation de
ventilateur
Ventilateur
Élément 2
Élément 1
Jaune
Jaune
L1
L2
L3
T1
T2
T3
Conversion pour une
puissance plus
basse (1 Ø)
Contacteur
Schémas de câblage
Enlever un (1) cavalier rouge pour obtenir une puissance égale
aux 3/4 de celle indiquée sur la plaque signalétique
Rouge
Rouge

Related product manuals