EasyManua.ls Logo

Master Pro MHP-135-KFA - Exploded View

Master Pro MHP-135-KFA
16 pages
Print Icon
To Next Page IconTo Next Page
To Next Page IconTo Next Page
To Previous Page IconTo Previous Page
To Previous Page IconTo Previous Page
Loading...
NEVER LEAVE HEATER UNATTENDED WHILE BURNING OR
WHILE CONNECTED TO A POWER SOURCE
© 2014, Pinnacle Products International, Inc. Kerosene Forced Air Heater User’s Manual
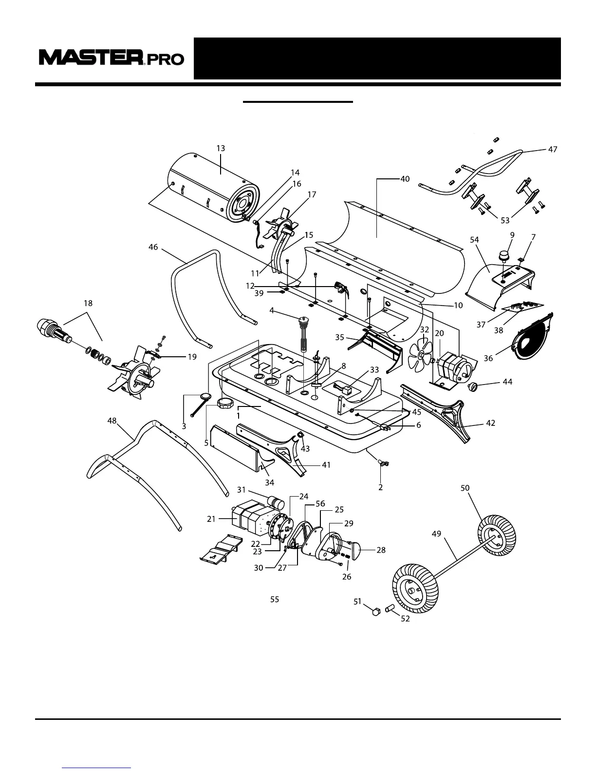
Exploded View
12

Other manuals for Master Pro MHP-135-KFA

Related product manuals