EasyManua.ls Logo

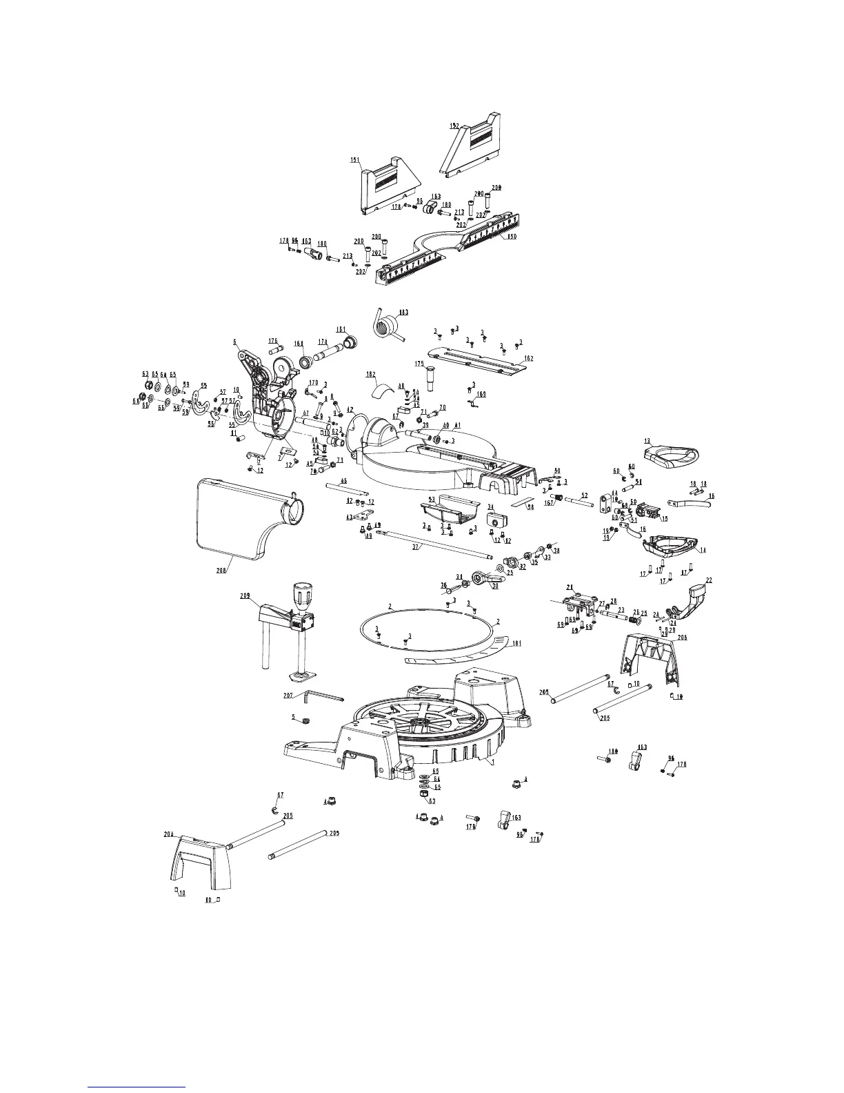
MasterForce 240-0024 - Exploded View & Part List

MasterForce 240-0024
48 pages
Print Icon
To Next Page IconTo Next Page
To Next Page IconTo Next Page
To Previous Page IconTo Previous Page
To Previous Page IconTo Previous Page
Loading...
40
Exploded View

Related product manuals