EasyManua.ls Logo

Mastervolt MASS 24/15-2 - Installation Step-By-Step

Mastervolt MASS 24/15-2
28 pages
Print Icon
To Next Page IconTo Next Page
To Next Page IconTo Next Page
To Previous Page IconTo Previous Page
To Previous Page IconTo Previous Page
Loading...
Mass 24/15-2, 24/25-2, 24/25-2 DNV, 24/25-2 (large cabinet) User and Installation Manual
13
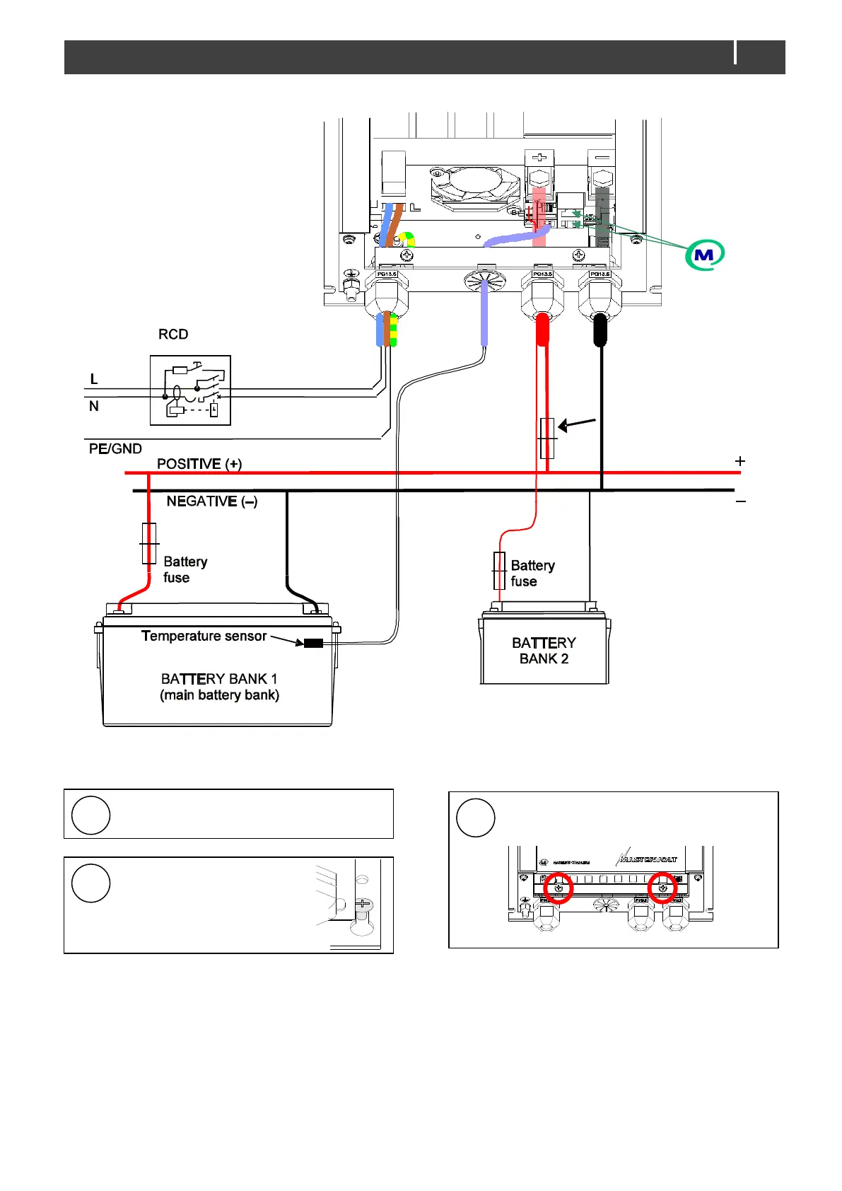
4.15 Installation step-by-step
Figure 8: Installation drawing of the Mass Charger
This schematic is to illustrate
the general placement of the
Mass Charger in a circuit. It is
not meant to provide detailed
wiring instructions for any
particular electrical installation.
AC voltage (V)
1
Mark the position of the mounting spots using
the drilling dimensions.
2
Place the four screws first and
hang the Mass Charger over
them. Then fix the Mass to the
wall by securing the screws.
3
Open the connection compartment by
loosening the two screws.

Table of Contents

Other manuals for Mastervolt MASS 24/15-2

Related product manuals