EasyManua.ls Logo

Mastervolt WHISPER 15 ULTRA

Mastervolt WHISPER 15 ULTRA
44 pages
To Next Page IconTo Next Page
To Next Page IconTo Next Page
To Previous Page IconTo Previous Page
To Previous Page IconTo Previous Page
Loading...
INFORMATION
US / WHISPER 15 ULTRA - Three Phase / December 2008 / Copyright © 2008 Mastervolt 19
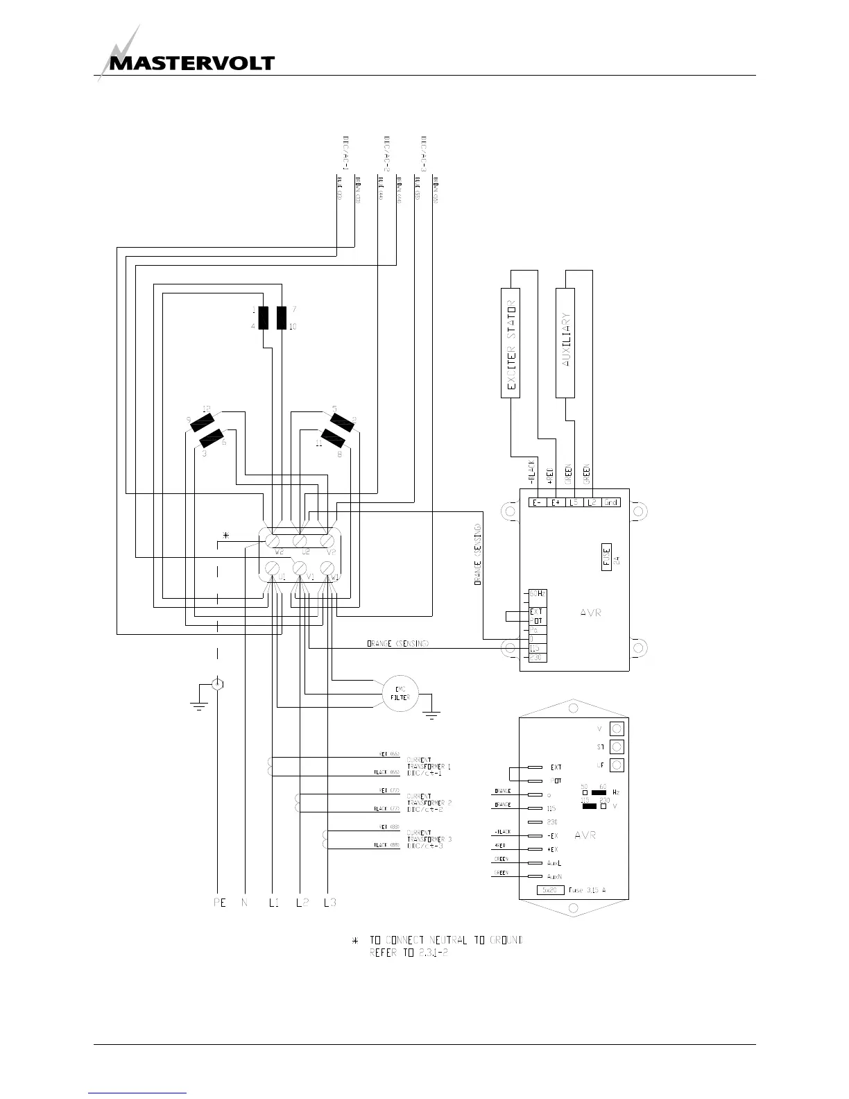
2.5.18 AC wiring diagram 120 / 208 V AC / 60 Hz three phase with AVR (star configuration)
Fig 14. AC wiring diagram three phase 3 x 120/208 Volt with AVR (Double Star)

Table of Contents

Other manuals for Mastervolt WHISPER 15 ULTRA

Related product manuals