EasyManua.ls Logo

Mastervolt WHISPER 3,5

Mastervolt WHISPER 3,5
28 pages
To Next Page IconTo Next Page
To Next Page IconTo Next Page
To Previous Page IconTo Previous Page
To Previous Page IconTo Previous Page
Loading...
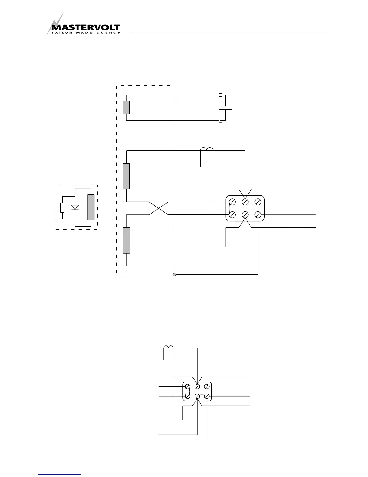
July 2005 / MOBILE WHISPER 3,5 / EN 25
ROTOR
STATOR
PE
N
230V 50Hz
L1
230V 50Hz
EARTH AND NEUTRAL CONNECTED
N
PE
L1
EARTH AND NEUTRAL
NOT CONNECTED
MAIN WINDING
BLACK (4)
BLACK (4)
RED (3)
MAIN WINDING
GREEN (2)
RED (3)
EXCITATION
GREEN (1)
WINDING
YELLOW/GREEN
DDC/AC-1
YELLOW/GREEN
BLUE (33)
BROWN (33)
BLUE
DDC/ct-1
(11)
RED
CURRENT
TRANSFORMER
(11)
BLACK
CAPACITOR
BROWN
DDC/ct-1
(11)
RED
TRANSFORMER
(11)
BLACK
CURRENT
DDC/AC-1
YELLOW/GREEN
BLUE
YELLOW/GREEN
BROWN
BROWN (33)
BLUE (33)
4.4 WIRING DIAGRAM 230V 50HZ
Fig. 30.

Other manuals for Mastervolt WHISPER 3,5

Related product manuals