EasyManua.ls Logo

Mastervolt WHISPER 3.5M 3000 RPM

Mastervolt WHISPER 3.5M 3000 RPM
40 pages
To Next Page IconTo Next Page
To Next Page IconTo Next Page
To Previous Page IconTo Previous Page
To Previous Page IconTo Previous Page
Loading...
INFORMATION
EN / WHISPER 3.5 / December 2009 / Copyright © 2009 Mastervolt 17
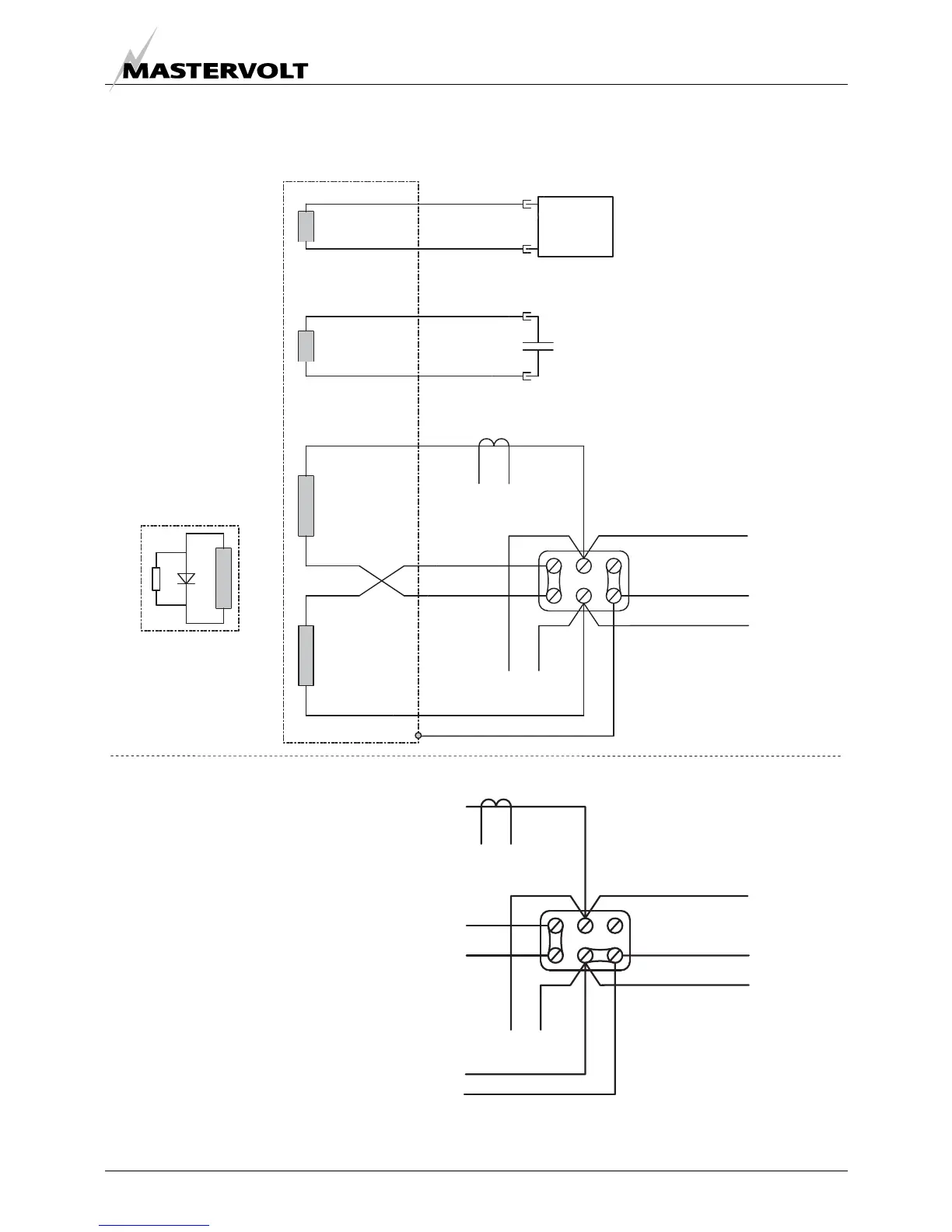
2.5.11 AC wiring diagram 230 V AC / 50 Hz
Figure 7 AC wiring diagram
230V 50Hz
N
PE
L1
DDC/ct-1
(11)
RED
TRANSFORMER
(11)
BLACK
CURRENT
DDC/AC-1
YELLOW/GREEN
BLUE
YELLOW/GREEN
BROWN
BROWN (33)
BLUE (33)
EARTH AND NEUTRAL
CONNECTED
STATOR
ROTOR
L1
N
PE
BLACK
TRANSFORMER
YELLOW/GREEN
CAPACITOR
MAIN WINDING
MAIN WINDING
(4)
(3)
(4)
CURRENT
CHARGER
WINDING
EXCITATION
BATTERY
(3)
(2)
(1)
RED
(10)
(10)
BLUE
BROWN
ALT
YELLOW/GREEN
ALT
REGULATOR
WCH
J1
J2
(11) (11)
DCC/ct-1
DCC/AC-1
BROWN (33)
BLUE (33)
EARTH AND NEUTRAL
NOT CONNECTED
230V 50Hz

Table of Contents

Related product manuals