EasyManua.ls Logo

Mastervolt whisper 7 ultra

Mastervolt whisper 7 ultra
48 pages
To Next Page IconTo Next Page
To Next Page IconTo Next Page
To Previous Page IconTo Previous Page
To Previous Page IconTo Previous Page
Loading...
DIAGRAMS & DRAWINGS
US / Whisper 7/9.5/15/20 Ultra for mobile applications / May 2009 / Copyright © 2009 Mastervolt 39
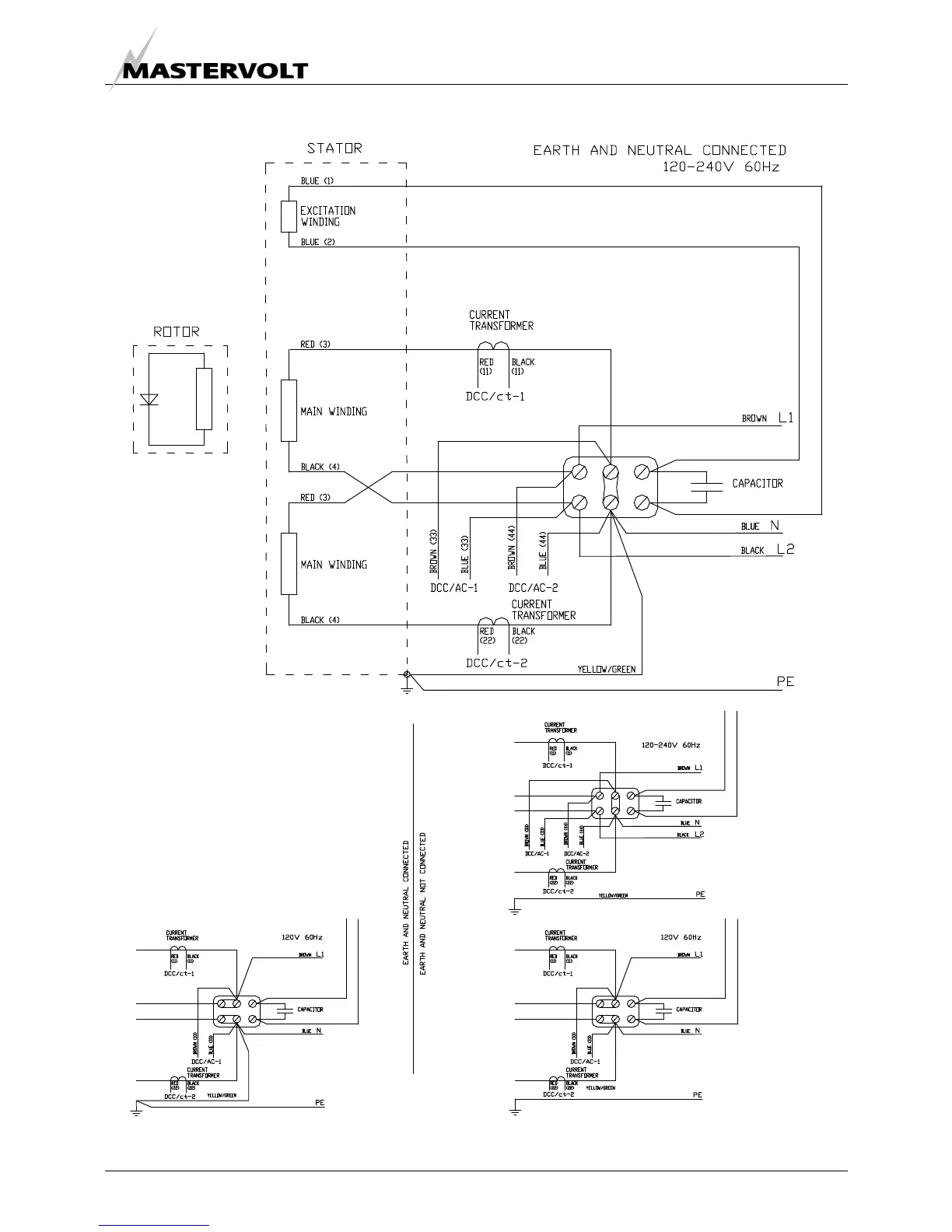
4.7 AC WIRING DIAGRAM 120-240V / 60HZ
Fig. 43: AC wiring diagram

Related product manuals