EasyManua.ls Logo

Mastervolt WHISPER 9,5 ULTRA

Mastervolt WHISPER 9,5 ULTRA
36 pages
To Next Page IconTo Next Page
To Next Page IconTo Next Page
To Previous Page IconTo Previous Page
To Previous Page IconTo Previous Page
Loading...
USA / WHISPER 15 ULTRA / May 2004 15
INFORMATION
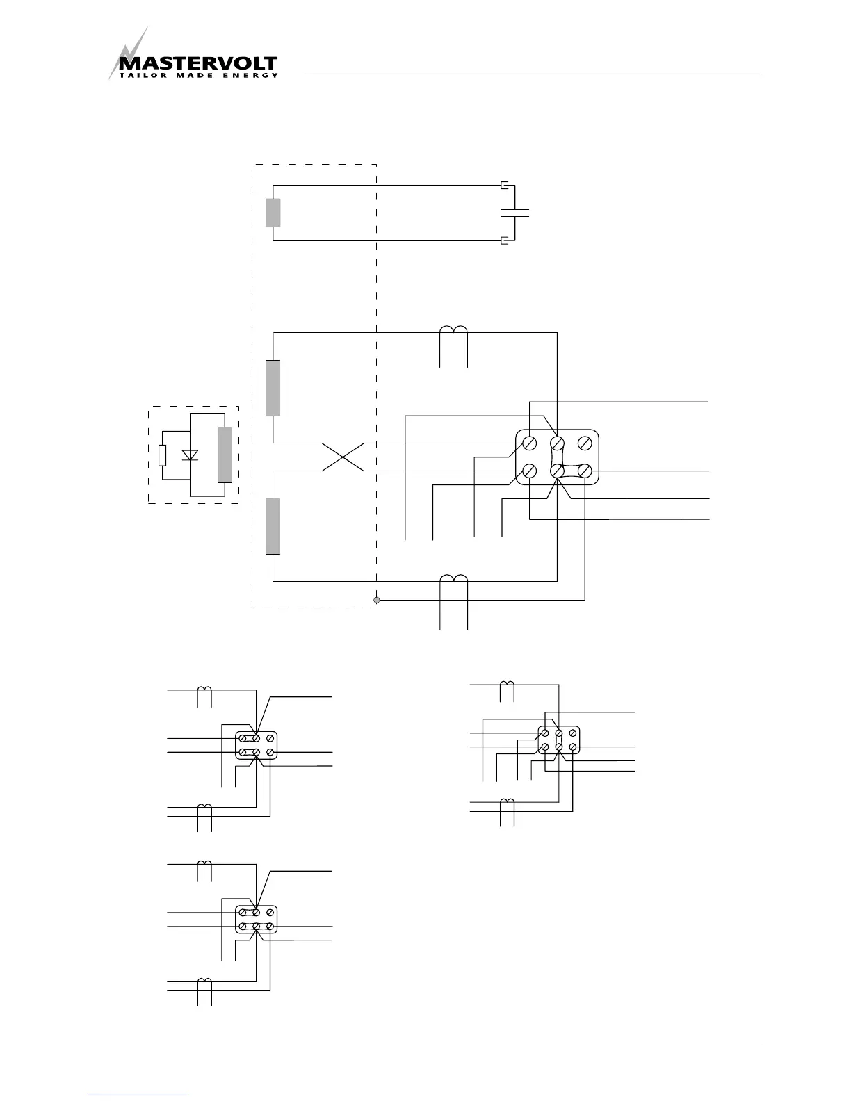
2.5.15 Electrical diagram 120-240V 60Hz
STATOR
N
120-240V 60Hz
PE
L1
ROTOR
L2
EARTH AND NEUTRAL
CONNECTED
EARTH AND NEUTRAL NOT CONNECTED
EARTH AND NEUTRAL CONNECTED
DCC/AC-1
BROWN (33)
YELLOW/GREEN
BLUE (33)
120V 60Hz
BROWN
L1
BLUE
N
YELLOW/GREEN
BROWN
120V 60Hz
PE
L1
TRANSFORMER
BLACK
BLACK
(22)
DCC/ct-2
DCC/AC-2
TRANSFORMER
CURRENT
BROWN (44)
BROWN (33)
BLUE (33)
DCC/AC-1
RED
(22)
RED
DCC/ct-1
(11) (11)
CURRENT
L2
BLUE (44)
YELLOW/GREEN
BLACK
YELLOW/GREEN
120-240V 60Hz
BLUE
PE
N
BROWN
L1
DCC/ct-1
(11)(11)
CURRENT
TRANSFORMER
BLACKRED
(22) (22)
DCC/ct-2
BLACKRED
CURRENT
TRANSFORMER
TRANSFORMER
CURRENT
DCC/AC-1
BROWN (33)
YELLOW/GREEN
BLUE (33)
DCC/ct-1
BLUE
N
YELLOW/GREEN
PE
RED
DCC/ct-2
(22)
BLACK
(22)
RED
(11)
BLACK
(11)
TRANSFORMER
CURRENT
MAIN WINDING
(4)
MAIN WINDING
(4)
(3)
(3)
EXCITATION
WINDING
(2)
(1)
YELLOW/GREEN
DCC/AC-1
BROWN (33)
BLUE (33)
BLUE
YELLOW/GREEN
TRANSFORMER
RED
(11)
DCC/ct-1
BLACK
(11)
CURRENT
CAPACITOR
BROWN
DCC/ct-2
(22)
RED
(22)
BLACK
DCC/AC-2
BROWN (44)
BLUE (44)
CURRENT
TRANSFORMER
BLACK
Fig. 7: Lay out control PCB.

Table of Contents

Other manuals for Mastervolt WHISPER 9,5 ULTRA

Related product manuals