EasyManua.ls Logo

Matest C314 - Page 12

Matest C314
18 pages
Print Icon
To Next Page IconTo Next Page
To Next Page IconTo Next Page
To Previous Page IconTo Previous Page
To Previous Page IconTo Previous Page
Loading...
Rev. Descrizione Redatto/Gestito Approvato Cod.Ident. Pagine Data Em.
03 Manuale Istruzioni Ufficio Tecnico Resp.Tecnico C314.M01.EN.03
12/18
03/2009
12
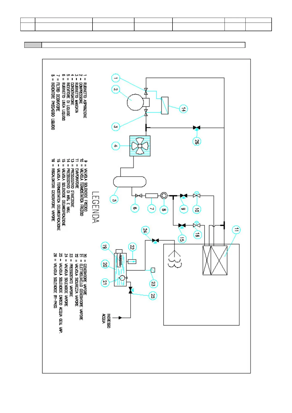
B ELECTRICAL LAYOUTS