EasyManua.ls Logo

Max NF255FA/18 - EXPLODED VIEW AND SPARE PARTS LIST (NF255 FA;18); NF255 FA;18 Exploded View and Parts Diagram

Max NF255FA/18
40 pages
Print Icon
To Next Page IconTo Next Page
To Next Page IconTo Next Page
To Previous Page IconTo Previous Page
To Previous Page IconTo Previous Page
Loading...
21
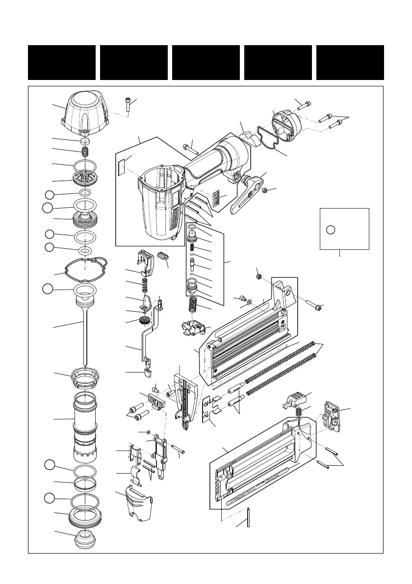
NF255FA/18, NF255FA/18(CE)
EXPLODED
VIEW AND SPARE
PARTS LIST
SCHEMA ECLATE ET
LISTE DES PIECES
DE RECHANGE
DESPIECE DE LA
MAQUINA Y LISTA
DE RECAMBIOS
EINZELTEILDAR-
STELLUNG UND
ERSATZTEILLISTE
ESPLOSO DEI
COMPONENTI ED
ELENCO DELLE
PARTI DI RICAMBIO
O-RING KIT
Parts marked
inincluded
are
the O-ring kit
101
1
64
65
66
67
68
69
70
71
29
30
31
32
33
34
35
36
37
38
39
40
41
42
43
44
45
46
47
48
49
50
51
52
53
54
55
56
57
23
21
60
2
3
4
5
6
7
8
9
10
11
12
13
14
15
16
72
73
74
75
76
17
18
18
19
81
20
21
22
23
24
25
1
1
77
78
79
80
61
62
63
102

Related product manuals