EasyManua.ls Logo

MAXA 3500 W - Post-Installation Checks and Test Operation; Checklist for Post-Installation Verification; Test Operation Procedure for Skilled Personnel

MAXA 3500 W
Print Icon
To Next Page IconTo Next Page
To Next Page IconTo Next Page
To Previous Page IconTo Previous Page
To Previous Page IconTo Previous Page
Loading...
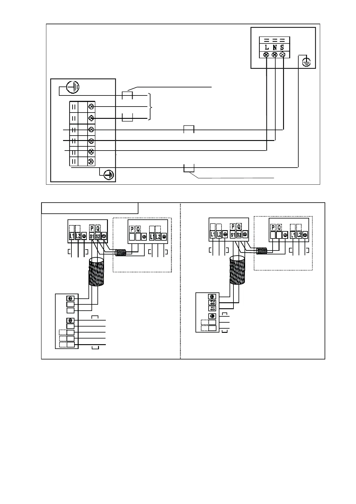
Connect sketch of the indoor unit to outdoor unit: Model 3500 W (Single phase outdoor unit)
3 co
re
c
ab
l
e 3
x 2.5 mm²
4 core cable 4 x1.0 mm²
Y/G
2(N)
S
L N
Power supply
22
0
- 2
40
V
50
Hz
1(L)
Indo
o
r un
i
t
Outdoor unit
Y/G
Connect sketch of the indoor unit to outdoor unit: Models 5300 W -17600 W
Air Condition Link-Circuit
2-core shielded cable
(2 0.5mm² )
   
   
Power s
uppl
y:
1-Phase 220-240V~
Use 3-corecable 3x1.0mm
2
Power supply:
1-Phase 220-240V~
Use 3-core cable 3x1.0mm
²
INDOOR UNI
T
INDOOR UNIT
S
1
S2
L1
L2
L3
N
S 1
S2
A
B
C
OUTDOOR UNIT
2-core shielded cable
(2 0.5mm² )
Power supply:
1-Phase 220-240V~
Use 3-corecable 3x1.0mm
²
Power supply:
1-Phase 220-240V~
Use 3-core cable 3x1.0mm
²
I
N
D
OO
R
U
N
I
T
S1
S2
INDOOR UNIT
OU
TDO
OR UNI T
L2
L1
L
N
Power supply: 3-Phase 380-415V~
Mod. 10500 W, 14000 W, 17600 W:
5-core cable 5x2.5mm
²
3-Phase Power Supply Outdoor units
1-Phase Power Supply Outdoor units
Power supply:1-Phase 220-240V~
Mod. 5300W - 7100 W: 3-core cable 3x2.5mm²
Mod. 10500 W, 14000 W, 17600 W:
3-core cable 3x4.0m
202044790380
L
N
L
N
L
N
L
N
29

Related product manuals