EasyManua.ls Logo

MAXA i-32V512 - Functional Diagrams - Model 04

MAXA i-32V512
48 pages
Print Icon
To Next Page IconTo Next Page
To Next Page IconTo Next Page
To Previous Page IconTo Previous Page
To Previous Page IconTo Previous Page
Loading...
i-32V5 Air/Water heat pumps wih axial fans
22
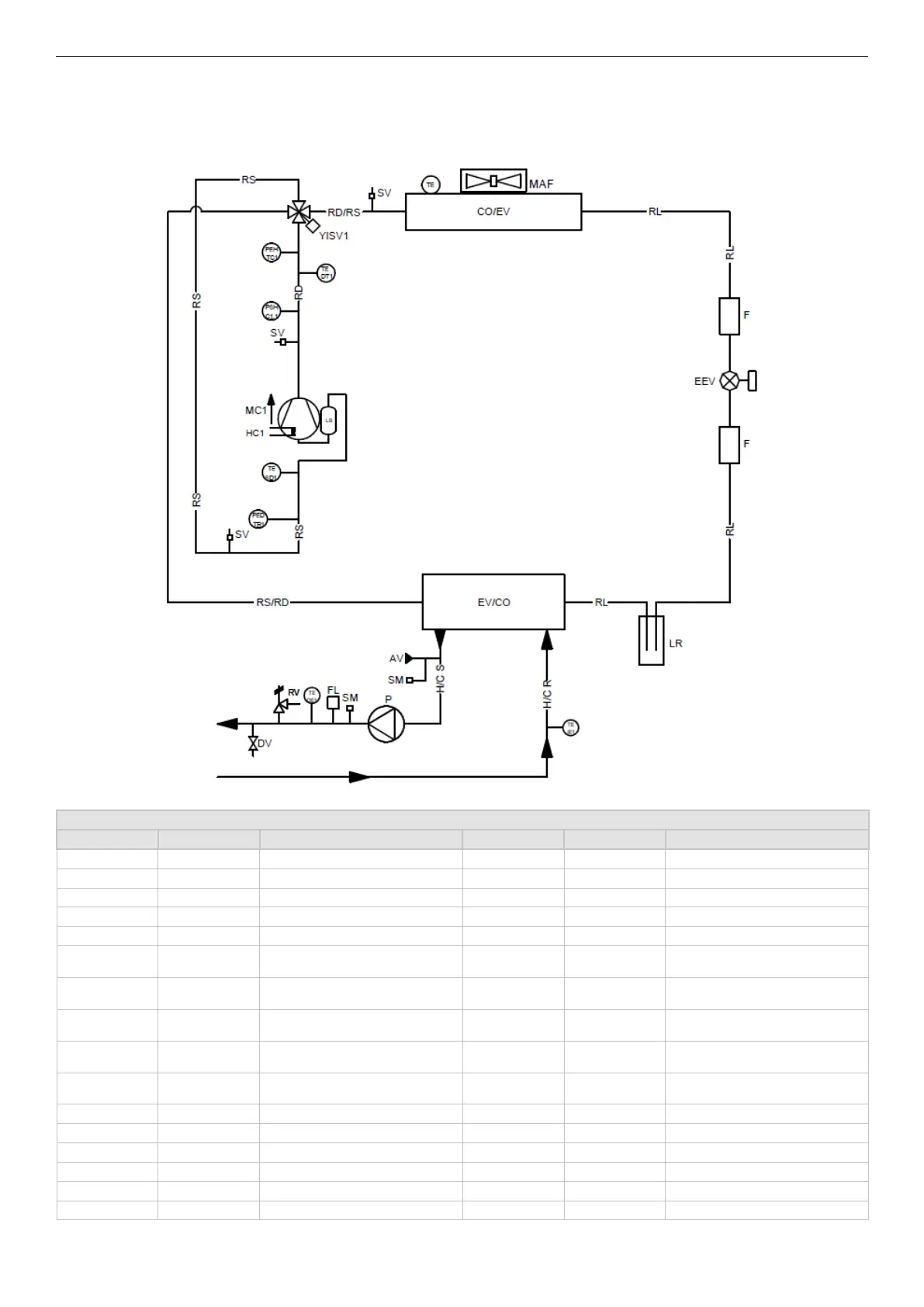
FUNCTIONAL DIAGRAMS
i-32V5 04
LEGEND
CODE NUM. DESCRIPTION CODE NUM. DESCRIPTION
MC 1 COMPRESSOR H/CS UTILITY WATER OUTLET
CO/EV CONDENSER (IN CHILLER MODE) H/CR UTILITY WATER INLET
EV/CO EVAPORATOR (IN CHILLER MODE) PEH TC 1 HIGH PRESSURE TRANSDUCER
EEV ELECTRONIC EXPANSION VALVE PED TR 1 LOW PRESSURE TRANSDUCER
YISV 1 4-WAY CYCLE REVERSING VALVE TE OUTDOOR TEMPERATURE PROBE
LR LIQUID RECEIVER TE SD 1
INTAKE LINE TEMPERATURE
PROBE
F FILTER TE DT 1
COMPRESSOR DISCHARGE TEM-
PERATURE PROBE
SV FILLING CONNECTION PSH C 1.1
AUTOMATIC RESET HIGH-PRES-
SURE SWITCH
HC 1 CRANCKASE HEATER TE IE 1
UTILITY INLET TEMPERATURE
PROBE
MAF AXIAL FAN TE OE 1
UTILITY OUTLET TEMPERATURE
PROBE
LS LIQUID SEPARATOR DV DRAIN VALVE
RS INTAKE LINE RV SAFETY VALVE
RD DELIVERY LINE FL FLOW SWITCH
RL LIQUID LINE P PUMP
RD/RS DELIVERY/INTAKE LINE AV AUTOMATIC AIR VENTING VALVE
RS/RD INTAKE/DELIVERY LINE SM SERVICE SLEEVE

Table of Contents

Other manuals for MAXA i-32V512

Related product manuals