EasyManua.ls Logo

MAXPEEDINGRODS MXR3500S - MXR3500 S Schematics

MAXPEEDINGRODS MXR3500S
28 pages
Print Icon
To Next Page IconTo Next Page
To Next Page IconTo Next Page
To Previous Page IconTo Previous Page
To Previous Page IconTo Previous Page
Loading...
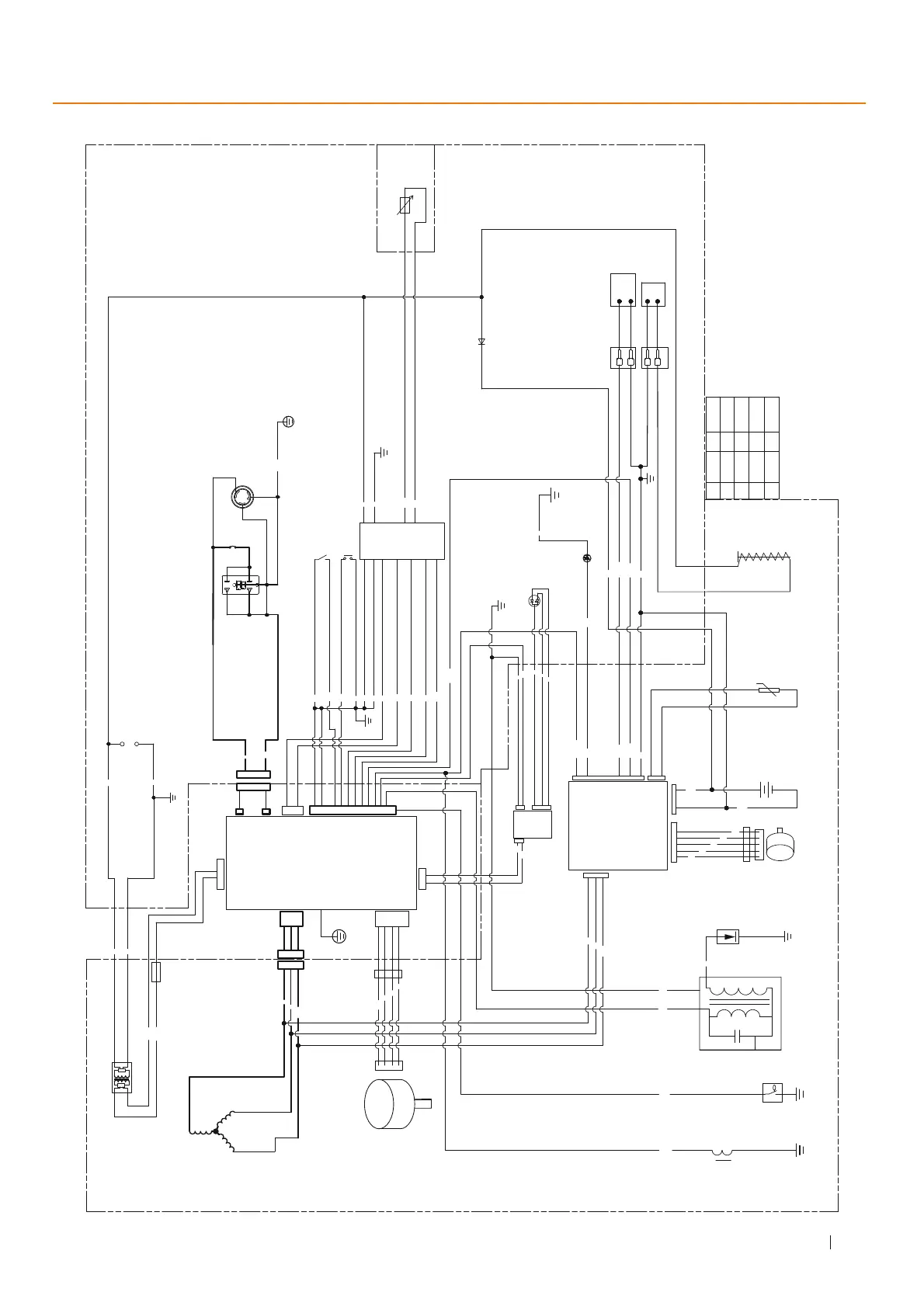
MXR3500S SCHEMATICS
23
MAXPEEDINGRODS
ECO switch
CONTROL PANEL BLOCK
Fuel Sensor
Fuel Sensor
Engine Switch
ST/IG
LPG
LPG Switch
E
E
B
Black
Yellow
Blue
Green
Orange
Red
White
Brown
Grey
Pink
Y
G
O
Bu
R
W
P
Br
Gr
Overload reco
very switch
Display
Center
SR10100
GENERATOR BLOCK
Main Winding
Stepping motor
Stepping motor Battery Temperature sensor fuel solenoid valve
Fuse 2A
Voltage regulating rectifier
B/W
R/W
R
R
R
R
B
G/Y
B
B
B
B
B
B
B
B
B
R
R
W
W
G
R
R
R
Red
CO Alarm
Light
Start/Match
-
+
Yellow
Bu
Bu
Br
Bu
Bu
Bu
B
Bu/W
B/W
B/W
B/R
R/B
B
Y
Y
Y
R
R
R
P
Anti-tow controller
O
O
B
B
CO
module
Gr
B/R
Gr
Br
Br
Bu
B
USB
INVERTER BLOCK
AC receptacle
125V 20A
Circuit breaker
20A
AC receptacle
125V 30A
INVERTER
B
Y
P
Y
O
Bu
Bu
Bu/W
Trigger Coil
gnition coil Spark plugOil level swith
Y