EasyManua.ls Logo

Maytag MAT12PDSA - Wiring Diagram; MAT12 PDSA* Schematic

Maytag MAT12PDSA
20 pages
Print Icon
To Next Page IconTo Next Page
To Next Page IconTo Next Page
To Previous Page IconTo Previous Page
To Previous Page IconTo Previous Page
Loading...
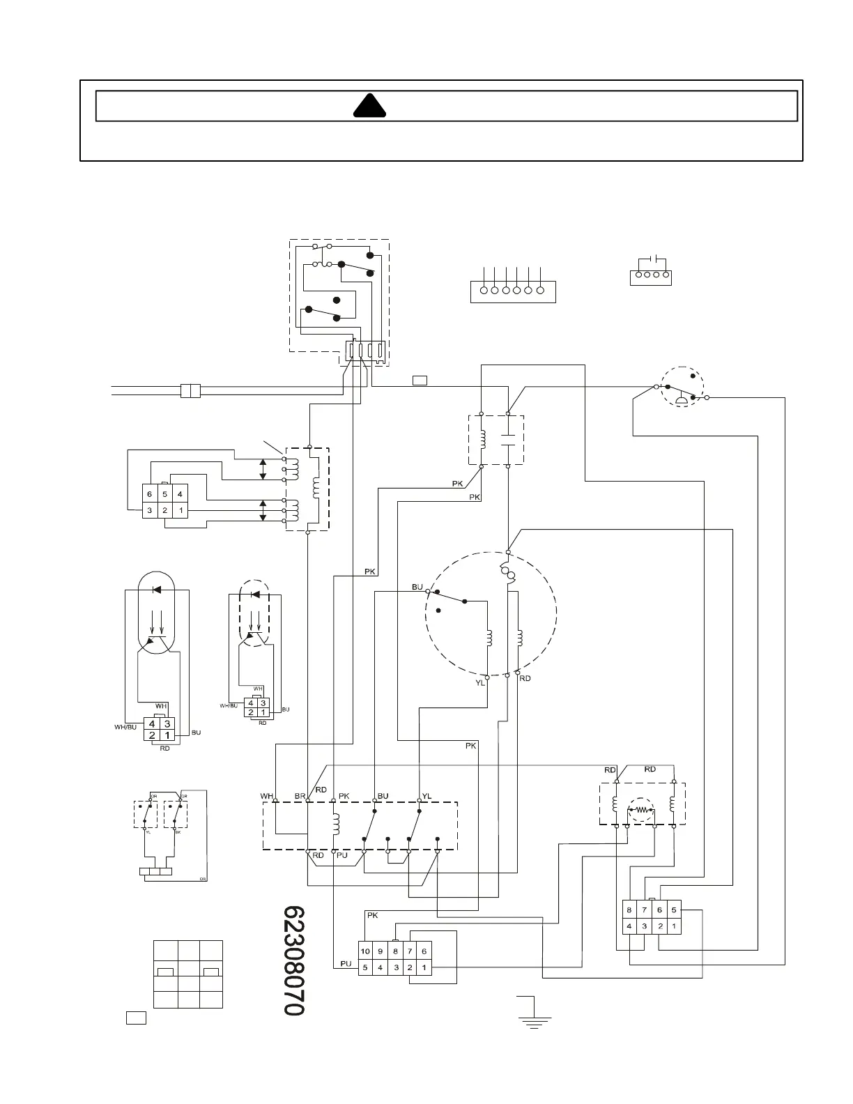
Wiring Diagram
!
WARNING
To avoid risk of electrical shock, personal injury or death; disconnect power to washer before servicing, unless
testing requires power.
December 2003 16022846 Rev 0
19
MAT12PDSA* SCHEMATIC
3 2 1
4
6
5
3
2
(-)
3
4
2
1
(+)
OVERLOAD
PROTECTOR
DRIVE
MOTOR
REVERSING
RELAY
LINE
CONNECTOR
REVERSING RELAY
CONTACT
CONNECTOR AA2
(SEE CIRCUIT BOARD)
CONNECTOR AA6
CONNECTOR AA7
(SEE CIRCUIT BOARD)
CONNECTOR AA5
COIN SENSOR # 2
(OPTIONAL)
COIN SENSOR # 1
CONNECTOR AA4
CONNECTOR AA1
CONNECTOR EE1
CONNECTOR AA3
EXTERNAL DEBIT CARD
(OPTIONAL)
VAULT
SWITCH
SERVICE
SWITCH
BATTERY
OPTIONAL
- INSULATED TERMINAL
WATER
VALVE
CENT
SW
START
RUN
TRANS-
FORMER
WATER LEVEL
SWITCH
RL-9
OFF BOARD
MOTOR RELAY
RL-9
COMMON
2
5
A
3
6
1
4
3
RD
9
BU
B
PK
A
PU
8
BR-RD
7
YL
6
WH
4
RD
5
RD
2
WH
1
WH
8 B 9 7
15 BR
FULL
GY 20
GY 20
GY 20
22.5
VAC
5.3VAC
RD
RD
RD
BR
WH
WH
20
LID
SWITCH
L1
N
RD
RD
RD
BK
BK
BK
GY
BK
PU/WH
PU/WH
PU/WH
OR
OR
BU
BU
15 BR
DEBIT GROUND
DEBIT POWER
E2
E1
A1
A2
RD
RD
WH WH
WH
WH
HOT
COLD
GND
YL
YL
YL
YL
YL
YL
YL
GY
GY