EasyManua.ls Logo

Mazda RX-7 - Competition Oil Cooler Installation; Competition Radiator Installation

Mazda RX-7
52 pages
Print Icon
To Next Page IconTo Next Page
To Next Page IconTo Next Page
To Previous Page IconTo Previous Page
To Previous Page IconTo Previous Page
Loading...
ENGINE
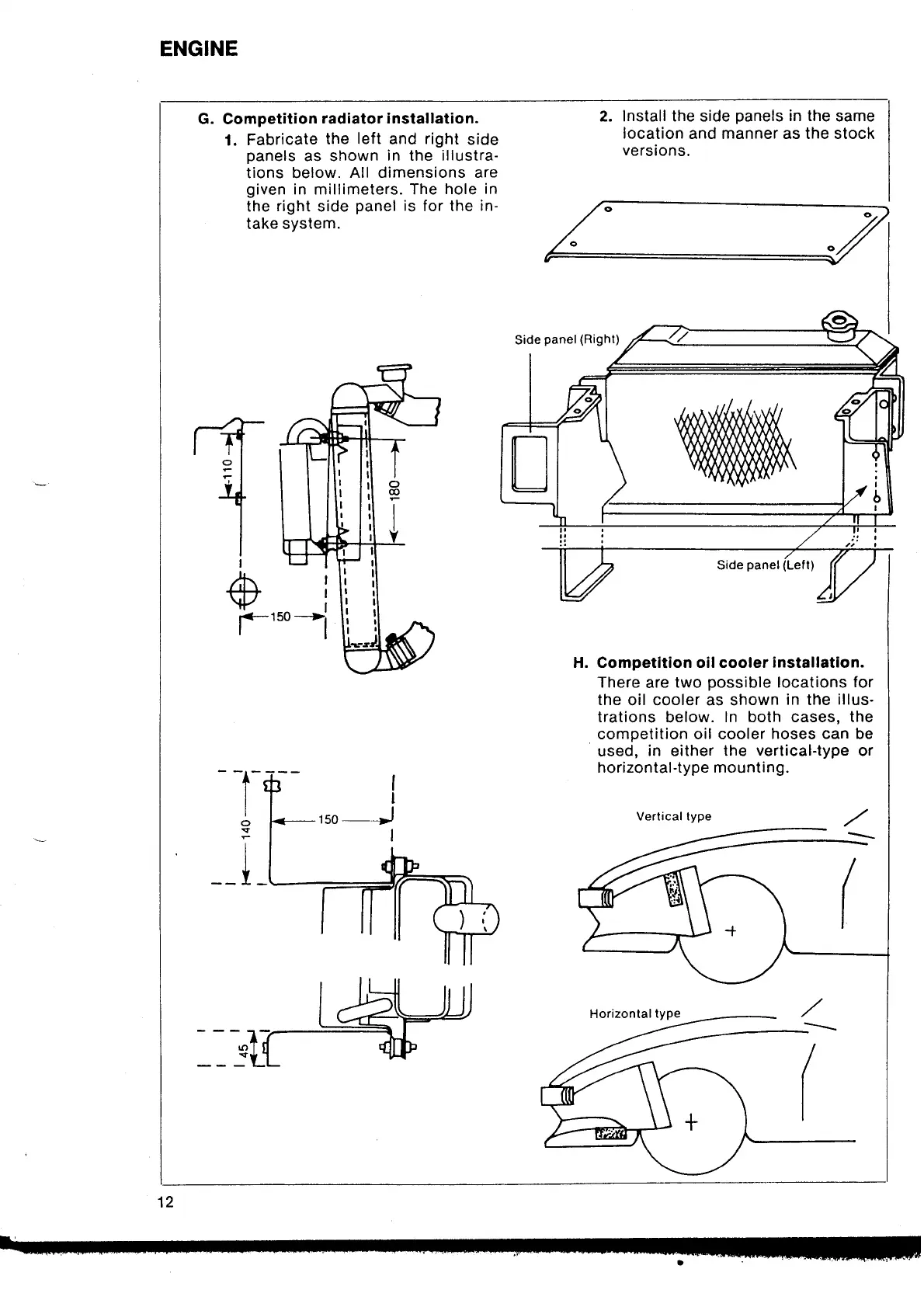
G. Competition
radiator installation.
1.
Fabricate
the
left
and
right
side
panels
as shown
in the illustra-
tions below.
All dimensions are
given
in millimeters. The
hole in
the
right
side
panel
is
for the
in-
take system.
2. Install the side
panels
in the
same
location
and manner as the stock
versions.
Side
panel
(Right)
H. Competition oil cooler installation.
There
are
two
possible
locations
for
the
oil cooler as shown
in
the
illus-
trations
below.
ln both cases, the
competition oil cooler
hoses can be
used,
in either lhe
vertical{ype
or
horizontal-type mounting.
Vertical type
Horizontal
type

Table of Contents

Related product manuals