EasyManua.ls Logo

McCulloch MT700 - Page 63

McCulloch MT700
64 pages
Print Icon
To Next Page IconTo Next Page
To Next Page IconTo Next Page
To Previous Page IconTo Previous Page
To Previous Page IconTo Previous Page
Loading...
E23
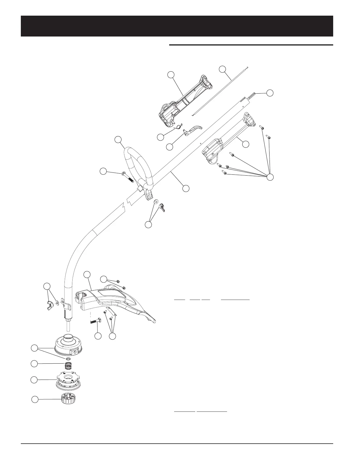
PARTS LIST
BOOM & TRIMMER PARTS - MT700
2-CYCLE GAS TRIMMER
Item Part No. Description
1 753-04279 Throttle Housing and Trigger Assembly
(includes 2 & 3)
2 791-610314 Throttle Trigger Spring
3 791-180975 Throttle Trigger
4 753-04361 Throttle Housing Screws
5 753-04901 Throttle Cable
6 753-04280 Flexible Drive Shaft
7 753-04827 Drive Shaft Housing Assembly
(includes 6 & 13)
8 791-153064 D-Handle Assembly (includes 9)
9 791-153317 D-Handle Hardware
10 753-04282 Guard Mounting Hardware
11 753-04283 Guard
12 791-180553 Blade Assembly
13 753-04284 Outer Reel w/Retainer
14 791-610317B Spring
15 791-6103118 Inner Reel
16 791-153066B Bump Knob
Optional Accessories
* 791-153577B Inner Reel and Line
* 791-682075B Shoulder Strap Assembly
* Items Not Shown
1
5
6
1
4
3
2
9
9
8
7
10
12
12
11
10
14
15
16
13

Related product manuals