EasyManua.ls Logo

McIntosh C24 - Page 6

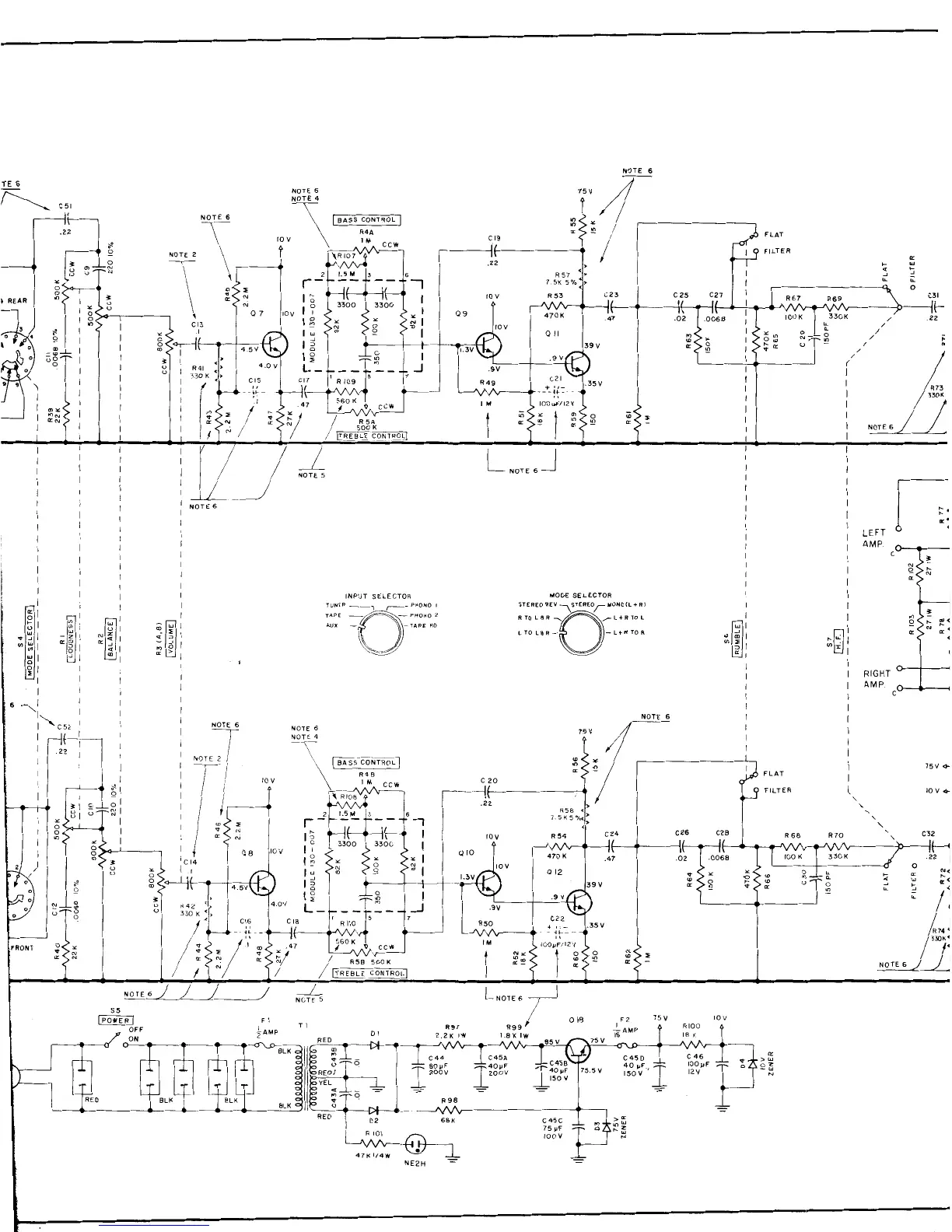
McIntosh C24
11 pages
Print Icon
To Next Page IconTo Next Page
To Next Page IconTo Next Page
To Previous Page IconTo Previous Page
To Previous Page IconTo Previous Page
Loading...

Other manuals for McIntosh C24

Related product manuals