EasyManua.ls Logo

McIntosh C33 - Page 27

McIntosh C33
28 pages
Print Icon
To Next Page IconTo Next Page
To Next Page IconTo Next Page
To Previous Page IconTo Previous Page
To Previous Page IconTo Previous Page
Loading...
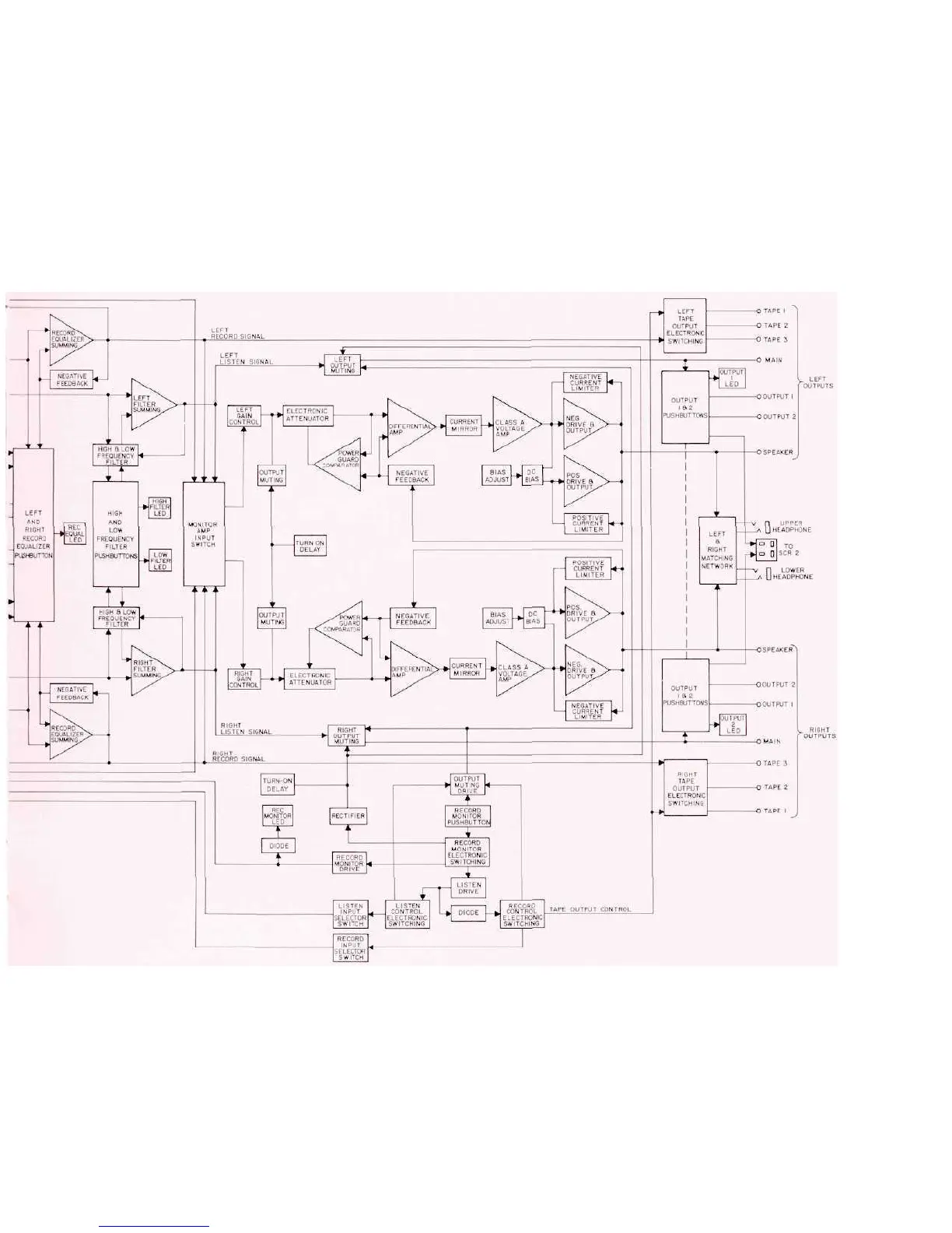
REO PREAMPLIFIER
-25-

Other manuals for McIntosh C33

Related product manuals