EasyManua.ls Logo

McIntosh MA6300 - Dimensions; Unit Dimensions and Measurements

McIntosh MA6300
28 pages
Print Icon
To Next Page IconTo Next Page
To Next Page IconTo Next Page
To Previous Page IconTo Previous Page
To Previous Page IconTo Previous Page
Loading...
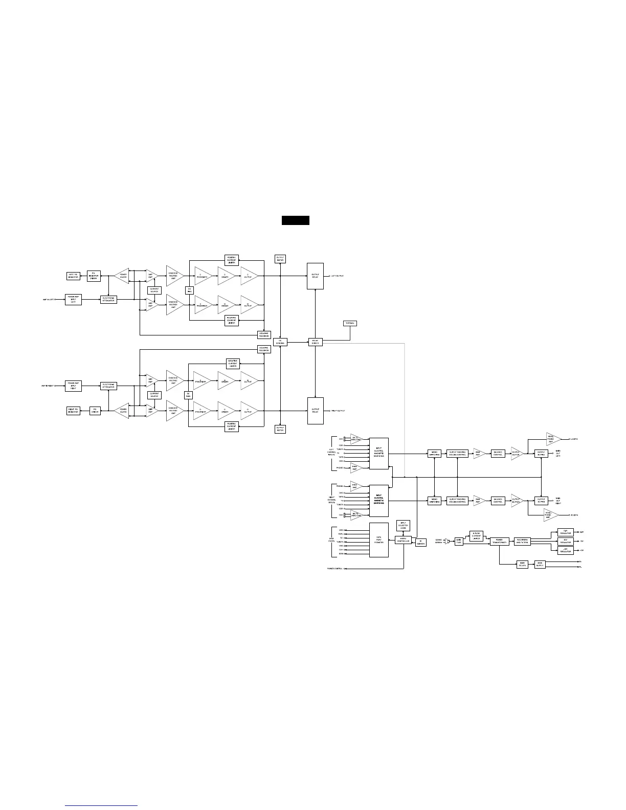
INTEGRATED AMPLIFIER
MA6300
BLOCK DIAGRAM
5
6

Other manuals for McIntosh MA6300

Related product manuals