EasyManua.ls Logo

McIntosh MC462

McIntosh MC462
38 pages
To Next Page IconTo Next Page
To Next Page IconTo Next Page
To Previous Page IconTo Previous Page
To Previous Page IconTo Previous Page
Loading...
MC462
25 26
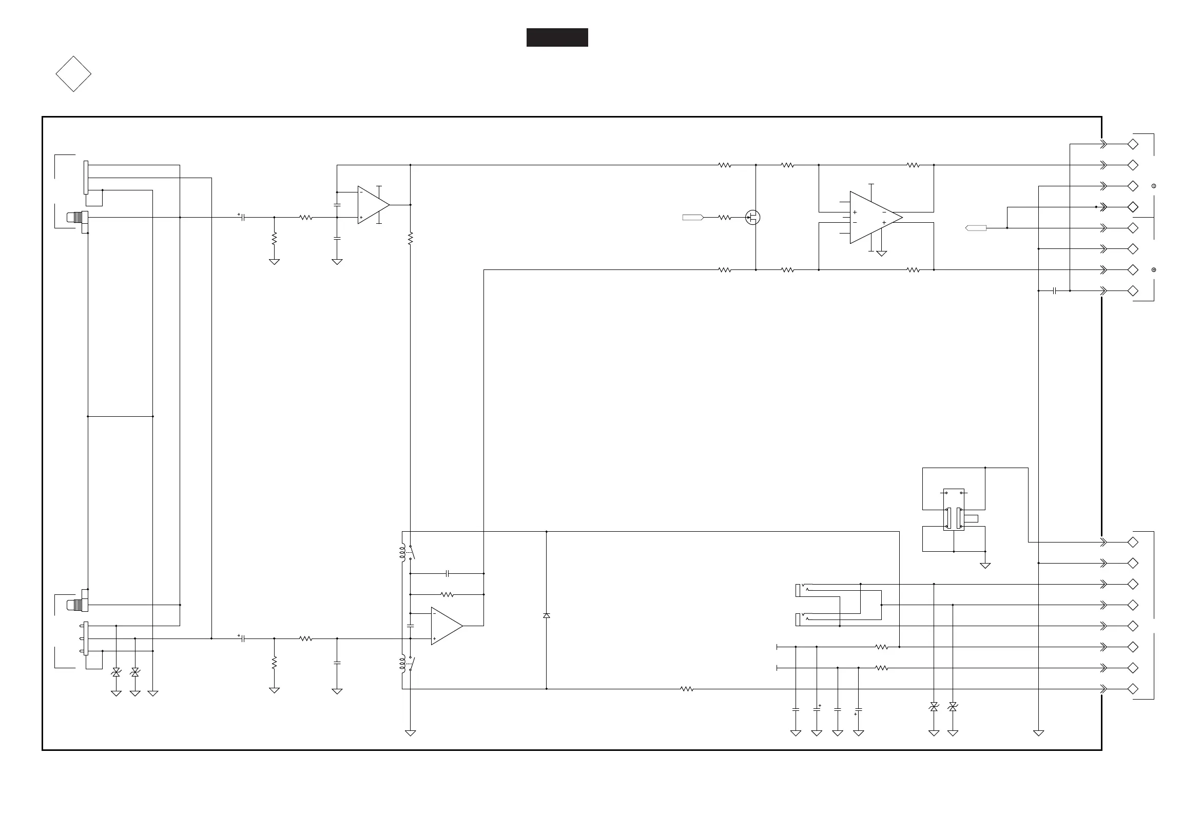
LEFT INPUT 752161 SCH
5
4
2
3
1
-
+
G
J1
L PG
+14V
-14V
H E A TS IN KLHE AT S IN KL
L PG
L IN PU T SL O UT P U TS
23
14
K1
2 3
1 4
K2
D3
2
3
1
84
B+
B-
U1:1
6
5
7
U1:2
+14V
-14V
475
R7
2
2
M A IN
PC OU T 2
+15V
-15V
PC OU T
M OD E
GN D
M L R EM
GN D
2
2
2
2
2
1
3
2
BOTT
J4:1
1
TOP
3
5
J3:1
M OD E
M L R EM
PC OU T
PGN D
+15V
-15V
L - IN P
L + IN P
J5:2
J5:3
J5:5
J5:7
J5:9
J5:12
J5:6
J5:8
7
7
GN D
L (-)
7
7
GN D
7
7
PG AT T
7
FB C OM
7
IN P
L
FB C OM
L
L (+)
IN P
L
PG AT T
L
2
BOTT
4
6
J3:2
J5:11
4
6
5
TOP
J4:2
PC OU T 1
2
AU T O OF F
1
2
3
4
5
6
7
S1
EN A
AU T O OF F
D IS
AU T O OF F
22.1k
R1
22.1k
R2
1k
R3
1k
R5
1k
R4
1k
R6
100pF
C3
100pF
C4
100pF
C5
100pF
C6
47pF
C7
10µF
C2
10µF
C1
D2
D1
12
3
G
D
S
Q1
2.21M
R9
1.96k
R8
1.96k
R10
2.37k
R15
2.37k
R16
22.1
R11
22.1
R12
.033µF
C12
10
R13
10
R14
D5
D4
J6:1
J6:2
J6:3
J6:4
J6:5
J6:6
J6:7
J6:10
4
2
3
1
-
+
G
J2
V +
V -
Vocm
ENA
1
7
2
8
3
5
6
4
9
HS
U2
+14V
-14V
220µF
C9
220µF
C11
.1µF
C8
.1µF
C10

Other manuals for McIntosh MC462

Related product manuals