EasyManua.ls Logo

McIntosh MC462

McIntosh MC462
38 pages
To Next Page IconTo Next Page
To Next Page IconTo Next Page
To Previous Page IconTo Previous Page
To Previous Page IconTo Previous Page
Loading...
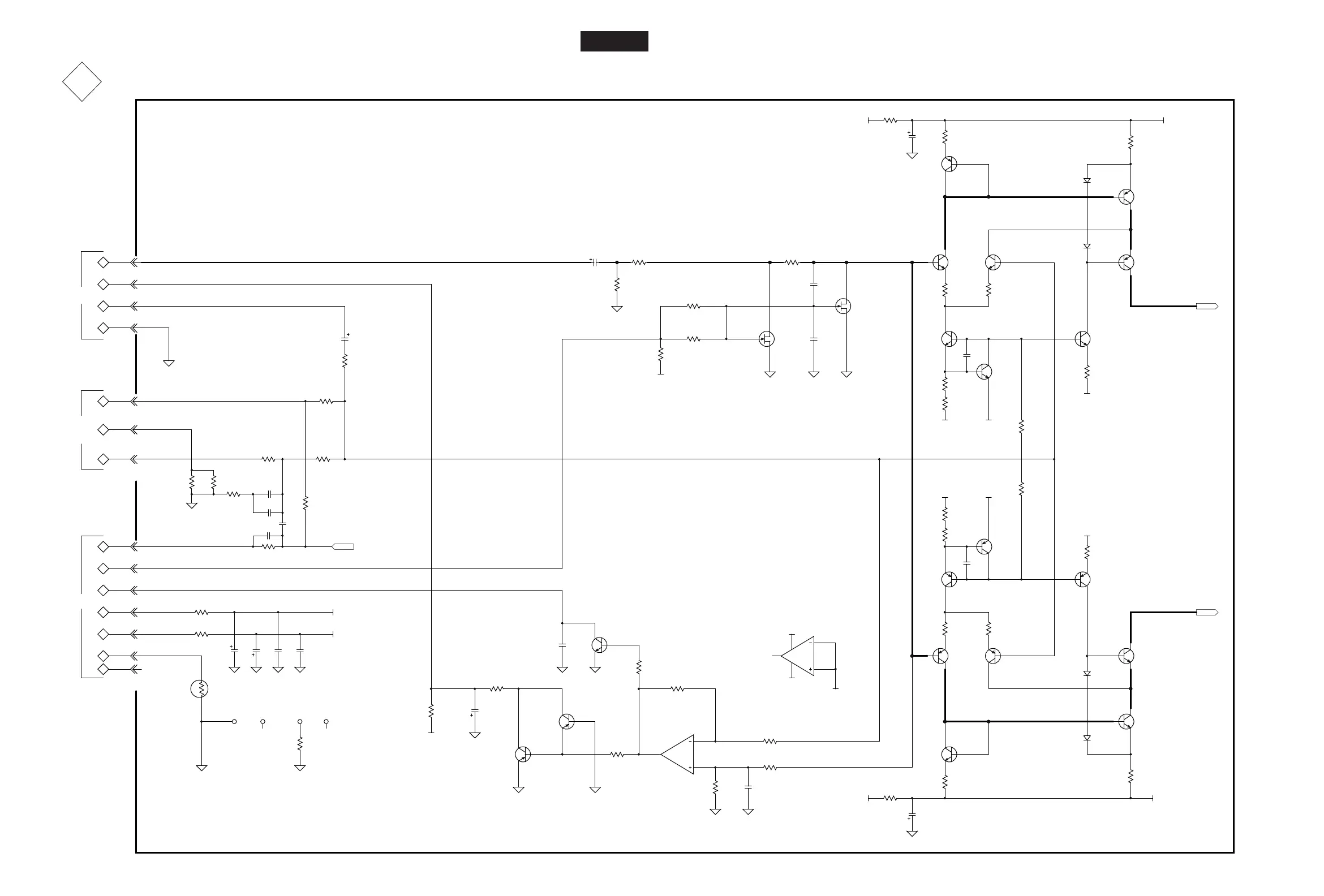
MC462
33 34
HEATSINK 752164 SCH 1 of 2
7
2
2
POS
8/9
NEG
+15V
PG LT
AMP
NEG
SOURCE
NEG
SOURCE
POS
AMP
POS
AMP
VOLTAGE
VOLTAGE
DIFFERENTIAL
CURRENT
CURRENT
3
1
2
Q14
DIFFERENTIAL
AMP
1F
C1
1F
C2
.1µF
C6
TERMINALMAIN
475
R14
3
1
2
Q15
3
1
2
Q20
3
1
2
Q1
PG DETECTOR
3
1
2
Q8
.1µF
C3
3
1
2
Q2
3
1
2
Q11
3
1
2
Q13
3
1
2
Q7
3
1
2
Q10
3
1
2
Q12
B+ B+
B- B-
+14V
-14V
+14V
-14V
FB 2
-15V
2
5/6
5/6
INP
GND
INPUT
1F
C15
-V AMP B-
1F
C14
+V AMP B+
MUTE
2
33.2k
R13
1F
C8
-14V
3
1
2
Q3
AMP MUTING
-18V
-18V
2 1
3
Q17
B+
D3
D4
3
21
Q16
B-
D2
D1
PTC
2
DRV +
DRV -
2.21M
R20
PTC
-15V
+15V
PG LT
MUTE
J3:5
J3:1
J3:3
J3:4
J3:7
J1:3
J1:1
2 1
3
Q18
3
21
Q19
3
1
2
Q21
8/9
GND
J1:5
5/6
PG ATT
-14V
2
3
1
84
B+
B-
U1:1
6
5
7
U1:2
.4F
C9
FB COM
J1:4
5/6
FB2
INP
PG ATT
FB COM
3
1
2
Q6
3
1
2
Q9
2.21M
R21
J3:6
2
METER V
-1.8V
1.8V
PG LIGHT DRIVER
PG MUTE DRIVER
FEEDBACK NETWORK
MET V
1.1
R1
1.1
R4
75C
+T°
RT1
1pF
C11
47.5k
R23
47.5k
R24
12
3
G
D
S
Q4
12
3
G
D
S
Q5
1k
R18
1k
R25
2.21k
R15
J3:2
2
GP1
GP2
GP3
475
R16
10
R12
332k
R19
332k
R22
150k
R36
150k
R37
1.5k
R38
1.5k
R39
3.32k
R28
3.32k
R33
324
R40
324
R41
22.1k
R6
GP4
HS OUT
47
R7
1000pF
C12
1000pF
C13
100pF
C16
100pF
C17
1000pF
C4
2.21k
R17
100
R2
100
R3
47
R26
47
R27
22F
C7
475
R9
FB 8
8/9
10k
R8
430
R5
332
R30
332
R73
475
R72
475
R31
221
R29
221
R34
221
R32
221
R35
B-
2.21M
R75
J2:3
J2:5
J2:1
4700pF
C30
4700pF
C31
4.75k
R10
1.0 2W
R76
100µF
C10
FB8
1000pF
C5

Other manuals for McIntosh MC462

Related product manuals