EasyManua.ls Logo

McIntosh MC462

McIntosh MC462
38 pages
To Next Page IconTo Next Page
To Next Page IconTo Next Page
To Previous Page IconTo Previous Page
To Previous Page IconTo Previous Page
Loading...
39 40
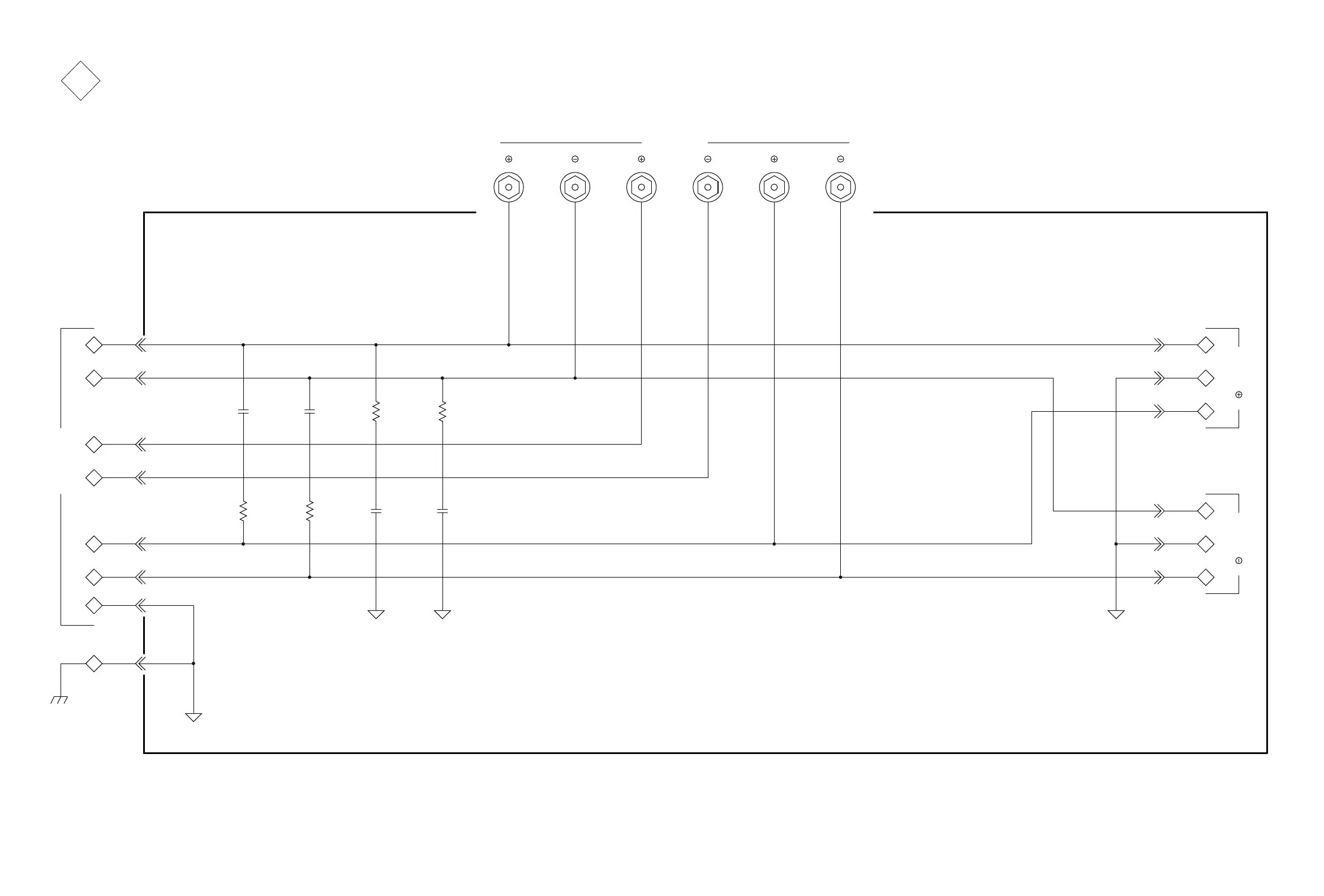
LEFT TERMINAL 752165 SCH
8
J1
.15µF
C1
.15µF
C2
J8:1
7
7
J8:2
J8:3
J8:5
J8:6
J8:7
7
7
7
7
BRN
RED
YEL
ORN
BLU
GRN
8 4 2
J2
J3
J4
J5
J6
HEATSINK
L HEATSINKL
FB 2
GND
FB 8
FB 2
GND
FB 8
L + FB8
L + FB2
L - FB8
L - FB2
L (+)
L (+)
L (-)
L (-)
1
1
1
1
L AUTOFORMER
1
1
LEFT OUTPUTS
J7
BLK
J9
1
.047µF
C3
.047µF
C4
2 5W
R1
2 5W
R2
4 5W
R3
4 5W
R4

Other manuals for McIntosh MC462

Related product manuals