EasyManua.ls Logo

McIntosh MC462

McIntosh MC462
38 pages
To Next Page IconTo Next Page
To Next Page IconTo Next Page
To Previous Page IconTo Previous Page
To Previous Page IconTo Previous Page
Loading...
MC462
5 6
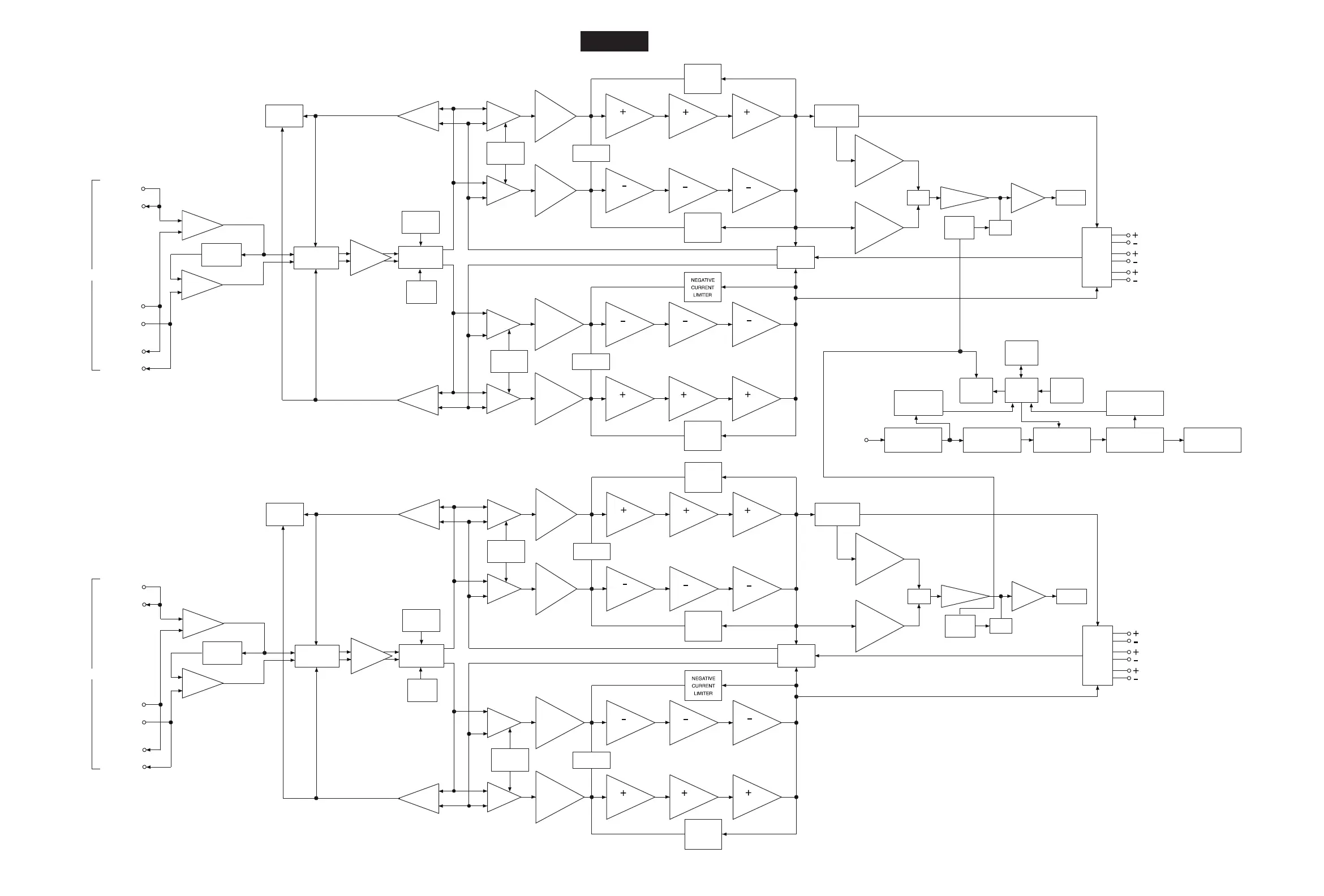
BLOCK DIAGRAM
ThermalTrak
DC BIAS
LEFT
OUTPUT
MUTE
THERMAL
SENSORS
BALANCED
AMP
POWER GUARD
ATTENUATOR
INPUT MODE
SWITCH
-
AMP
+
AMP
UNBALANCED
OUTPUT
UNBALANCED
INPUT
BALANCED
INPUT
BALANCED
OUTPUT
+
+
-
-
ThermalTrak
DC BIAS
PG
INDICATOR
POWER
GUARD
DIFF
AMP
DIFF
AMP
CURRENT
SOURCE
VOLTAGE
AMP
VOLTAGE
AMP
PREDRIVER
PREDRIVER
DRIVER
DRIVER
POSITIVE
CURRENT
LIMITER
NEGATIVE
CURRENT
LIMITER
OUTPUT
OUTPUT
NEGATIVE
FEEDBACK
CURRENT
LOG
AMP
VOLTAGE
LOG
AMP
CURRENT
TRANSDUCER
SUM
RECTIFIER
METER
SWITCH
HOLD
DC
AMP
METER
OUTPUT
AUTO-
FORMER
8 ohm
4 ohm
2 ohm
TURN ON
DELAY
POWER
GUARD
DIFF
AMP
DIFF
AMP
CURRENT
SOURCE
VOLTAGE
AMP
VOLTAGE
AMP
PREDRIVER
PREDRIVER
DRIVER
DRIVER
NEGATIVE
CURRENT
LIMITER
OUTPUT
OUTPUT
ThermalTrak
DC BIAS
RIGHT
OUTPUT
MUTE
THERMAL
SENSORS
BALANCED
AMP
POWER GUARD
ATTENUATOR
INPUT MODE
SWITCH
-
AMP
+
AMP
UNBALANCED
OUTPUT
UNBALANCED
INPUT
BALANCED
INPUT
BALANCED
OUTPUT
+
+
-
-
ThermalTrak
DC BIAS
PG
INDICATOR
POWER
GUARD
DIFF
AMP
DIFF
AMP
CURRENT
SOURCE
VOLTAGE
AMP
VOLTAGE
AMP
PREDRIVER
PREDRIVER
DRIVER
DRIVER
POSITIVE
CURRENT
LIMITER
NEGATIVE
CURRENT
LIMITER
OUTPUT
OUTPUT
NEGATIVE
FEEDBACK
CURRENT
LOG
AMP
VOLTAGE
LOG
AMP
CURRENT
TRANSDUCER
SUM
RECTIFIER
METER
SWITCH
HOLD
DC
AMP
METER
OUTPUT
AUTO-
FORMER
8 ohm
4 ohm
2 ohm
TURN ON
DELAY
POWER
GUARD
DIFF
AMP
DIFF
AMP
CURRENT
SOURCE
VOLTAGE
AMP
VOLTAGE
AMP
PREDRIVER
PREDRIVER
DRIVER
DRIVER
NEGATIVE
CURRENT
LIMITER
OUTPUT
OUTPUT
INRUSH
CURRENT
LIMITER
AC POWER
MAIN RELAYS
BACKUP
POWER SUPPLY
CONTROL
LOGIC
LIGHTING
CONTROL
POWER
CONTROL
FUSE
POWER
SWITCH
LOW VOLTAGE
SUPPLY
POWER
TRANSFORMER
MAIN
SUPPLY
LEFT
RIGHT

Other manuals for McIntosh MC462

Related product manuals