EasyManua.ls Logo

Mclane 20" - Front Throw Reel Mower Repair Parts

Default Icon
16 pages
Print Icon
To Next Page IconTo Next Page
To Next Page IconTo Next Page
To Previous Page IconTo Previous Page
To Previous Page IconTo Previous Page
Loading...
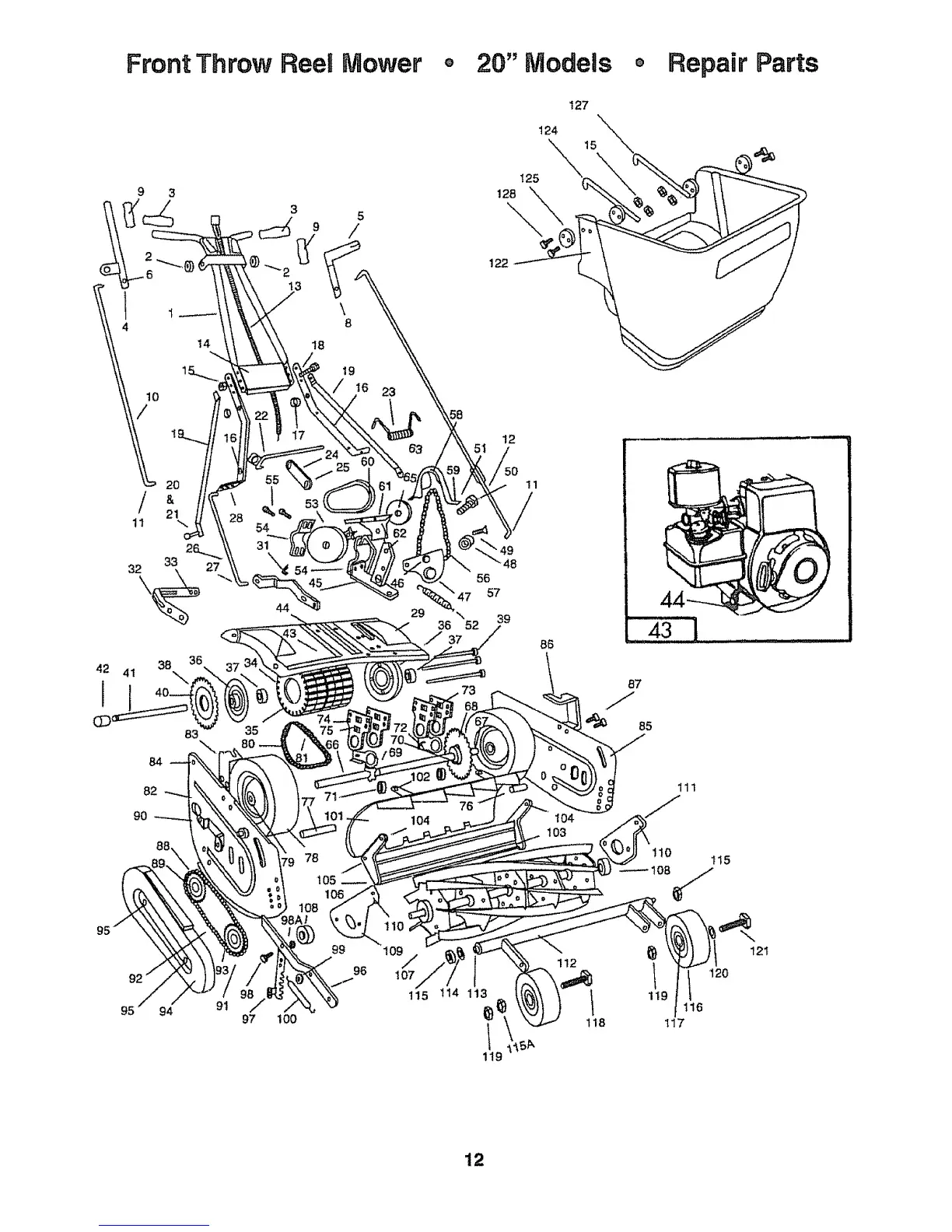
Front Throw ReeaMower o 20" IVlodeas o Repair Parts
127
124
4
10
/
/
11
42 41
l
I
14
20
&
2k
33
38
\
83
84
82
90
3
19
_6 23
44
35
78
105
1
29
104
125
122
12
11
/
56
57
36 52 39
BB
104
103
94
91
97 lOO
96
107
115 t14 113
1!9
112
87
85
111
_} 121
t20
t 119 116
118 t17
12

Related product manuals