EasyManua.ls Logo

Mclane Throw Reel Mower - Repair Parts Illustration

Default Icon
16 pages
Print Icon
To Next Page IconTo Next Page
To Next Page IconTo Next Page
To Previous Page IconTo Previous Page
To Previous Page IconTo Previous Page
Loading...
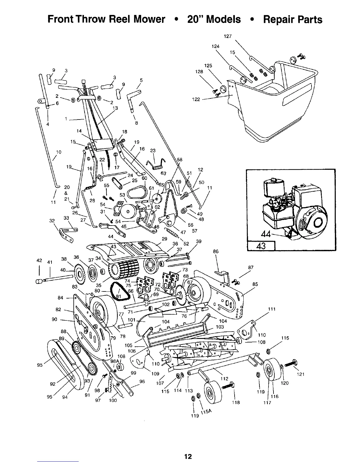
Front ThrowReel Mower 20"Models , Repair Parts
9 3
20
/
11
3
5
/
\
124
125
128
\
127
122
58
12
11
12

Related product manuals