EasyManua.ls Logo

McQuay AGR 100AS - Figure 10, Typical Field Wiring Diagram with MicroTech Controller

McQuay AGR 100AS
100 pages
Print Icon
To Next Page IconTo Next Page
To Next Page IconTo Next Page
To Previous Page IconTo Previous Page
To Previous Page IconTo Previous Page
Loading...
22 AGR 070A through 100A IOMM AGR-1
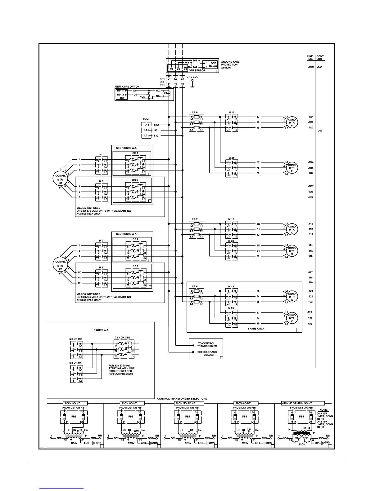
Figure 11, Standard Single-Point Connection with FanTrol

Other manuals for McQuay AGR 100AS

Related product manuals