EasyManua.ls Logo

McQuay MCC 010C/CR - Page 43

McQuay MCC 010C/CR
78 pages
Print Icon
To Next Page IconTo Next Page
To Next Page IconTo Next Page
To Previous Page IconTo Previous Page
To Previous Page IconTo Previous Page
Loading...
42
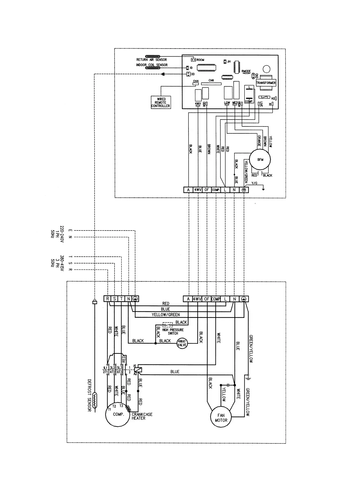
Model : MCC 060CR – MMC 060CR
(For export spec. with SLM control U1.4)

Related product manuals