EasyManua.ls Logo

McQuay MCK 020A - Wiring Diagrams: MCK030 AR Indoor Unit (Heat Pump); Wiring Diagrams: MLC030 BR Outdoor Unit

McQuay MCK 020A
101 pages
To Next Page IconTo Next Page
To Next Page IconTo Next Page
To Previous Page IconTo Previous Page
To Previous Page IconTo Previous Page
Loading...
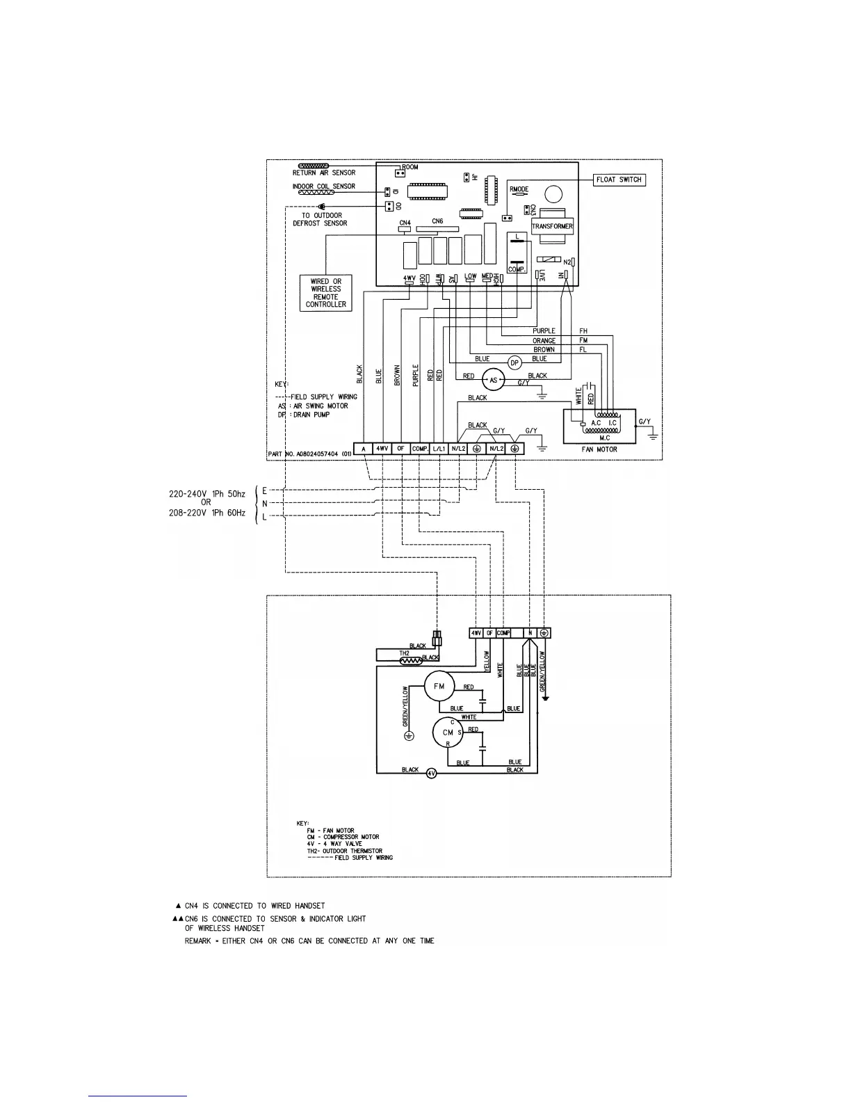
Indoor Unit (Heat Pump)
Model : MCK030AR
Outdoor Unit
Model : MLC030BR
50

Related product manuals