EasyManua.ls Logo

MDV MFS2i-24ARN1 - Mfs2 I-24 ARN1; 4 Wiring Diagram

MDV MFS2i-24ARN1
39 pages
Print Icon
To Next Page IconTo Next Page
To Next Page IconTo Next Page
To Previous Page IconTo Previous Page
To Previous Page IconTo Previous Page
Loading...
6
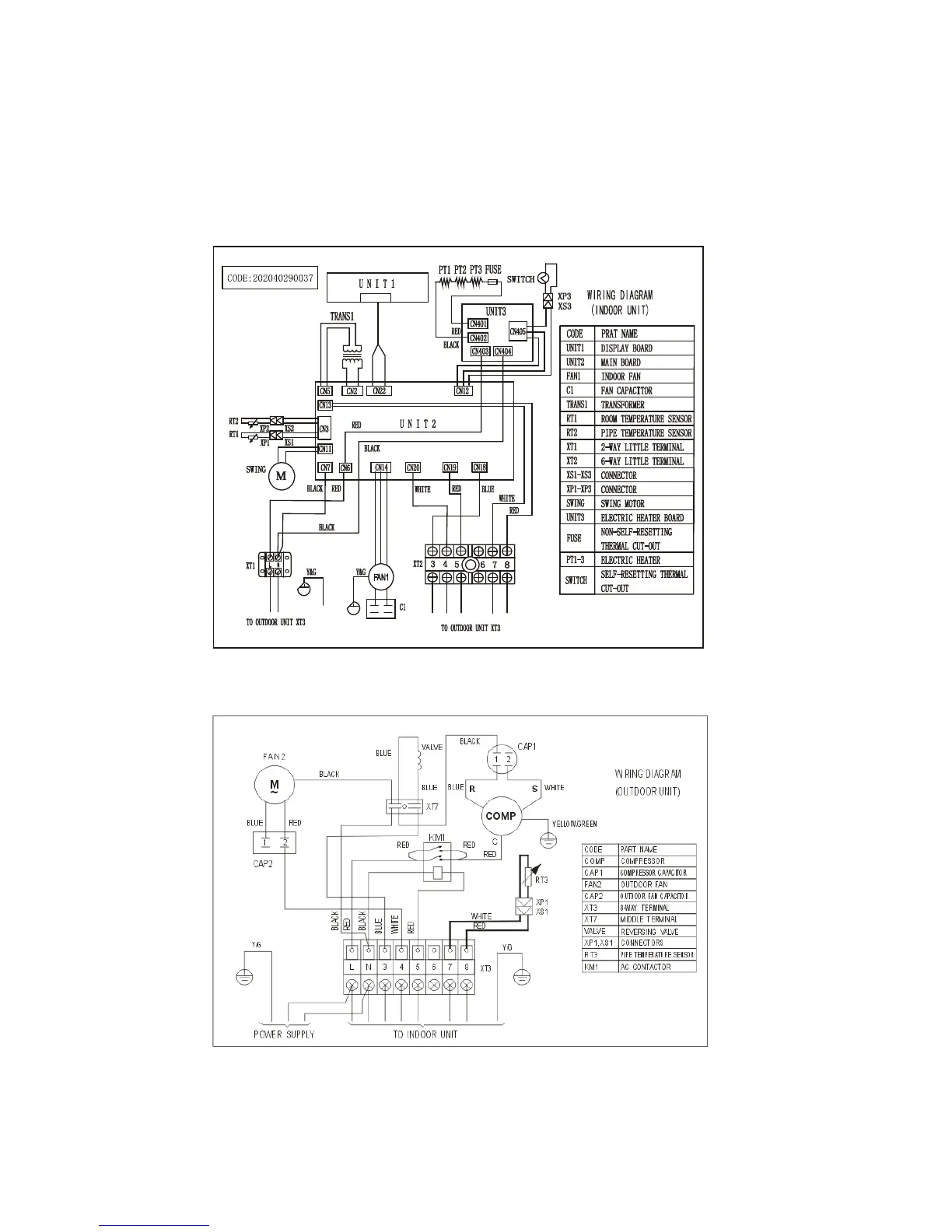
4 . Wiring diagram
4.1 MFS2i-24ARN1
Indoor Unit
Outdoor Unit

Related product manuals