EasyManua.ls Logo

Mec 1532ES - Emergency Lowering

Mec 1532ES
48 pages
Print Icon
To Next Page IconTo Next Page
To Next Page IconTo Next Page
To Previous Page IconTo Previous Page
To Previous Page IconTo Previous Page
Loading...
Page 2-17
1532ES / 1932ES Operators Manual May 2005
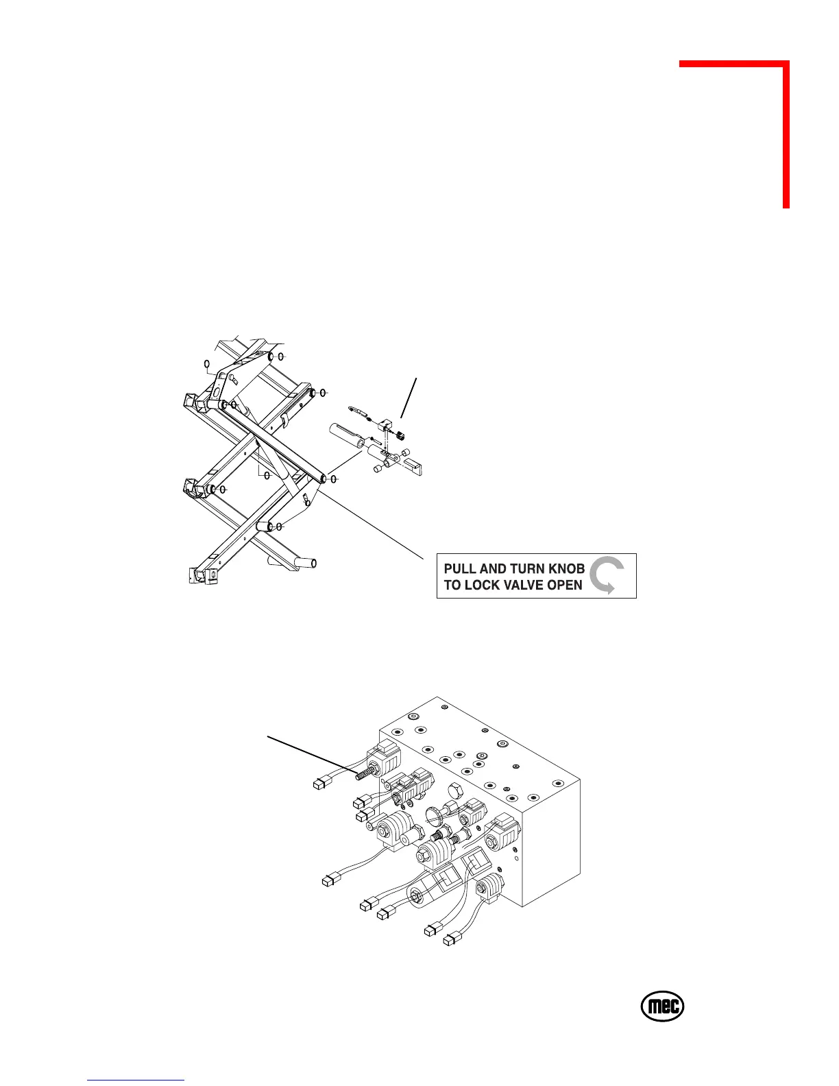
EMERGENCY LOWERING
The Emergency Down System is used to lower the platform in case of power or valve
failure. To lower the platform, perform the following steps:
1. Pull and turn knurled knob on lift cylinder counterclockwise to lock the valve in open
position.
2. Pull manual activator (override valve) on main manifold to lower platform to
desired height.
3. To return to normal operation, turn knurled knob on lift cylinder clockwise. Valve will
automatically lock.
8599
Cylinder
Valve
Manual Activator
8599

Other manuals for Mec 1532ES

Related product manuals