EasyManua.ls Logo

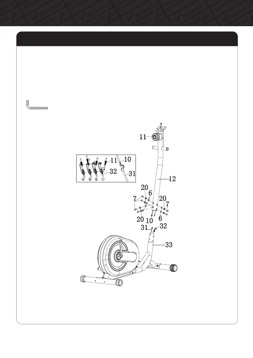
Merach MR-E07 - Step 2: Fixing the Handlebar Post

Default Icon
26 pages
Print Icon
To Next Page IconTo Next Page
To Next Page IconTo Next Page
To Previous Page IconTo Previous Page
To Previous Page IconTo Previous Page
Loading...
A. Connect the Trunk link(#10) of Monitor to the Induction Wire(#31), and then join the Resistance
Knob(#11) and Wire(#32) as shown in figure.
B. Install the Handlebar Post(#12) into the Main Frame(33), align the hole of bolts.
C. Use the Hexagon Socket Pan Head Bolt(#7), Spring Washer(#20) and Flat Washer(#6) to
tighten the Handlebar Post(#12) on the Main Frame(#33) by Allen Key(#B).
Step 2: Fix the Handlebar Post
07
Assembly Instructions