EasyManua.ls Logo

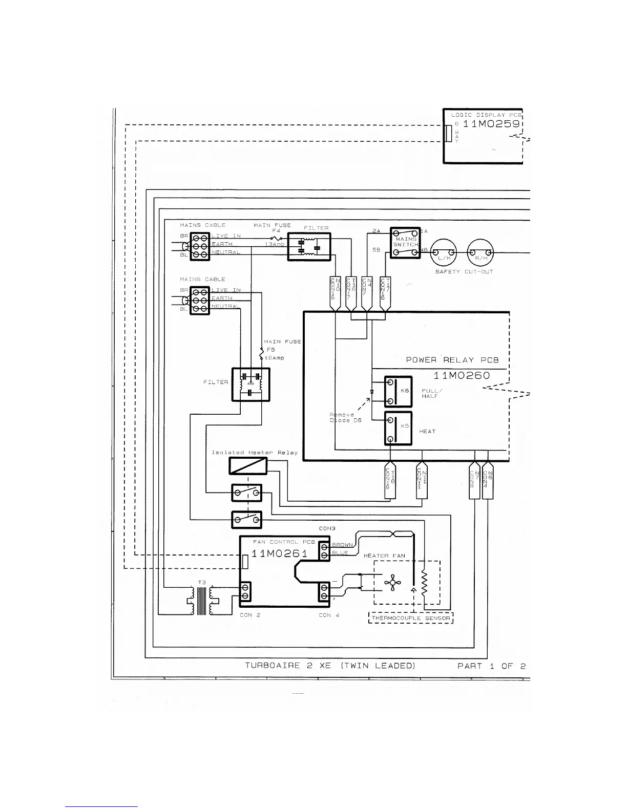
Merrychef HD - Circuit Diagram: Turboaire II XE (Twin Leaded) Part 1

Merrychef HD
43 pages
Print Icon
To Next Page IconTo Next Page
To Next Page IconTo Next Page
To Previous Page IconTo Previous Page
To Previous Page IconTo Previous Page
Loading...
Page 34 Microcook HD Ovens 32Z3385 Issue 5
Circuit Diagram: Turboaire II XE (Twin leaded) Part 1

Related product manuals