EasyManua.ls Logo

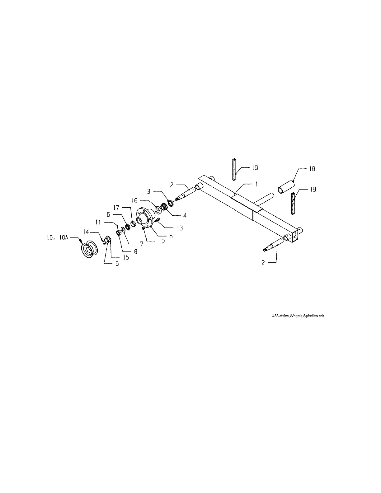
Meyer's 435 Tandem - Axles, Wheels, Spindles and Related Parts

Meyer's 435 Tandem
52 pages
Print Icon
To Next Page IconTo Next Page
To Next Page IconTo Next Page
To Previous Page IconTo Previous Page
To Previous Page IconTo Previous Page
Loading...
Page 22 Model 435
AXLES, WHEELS, SPINDLES AND RELATED PARTS

Related product manuals