EasyManua.ls Logo

Meyer's 435 Tandem - Apron Parts

Meyer's 435 Tandem
52 pages
Print Icon
To Next Page IconTo Next Page
To Next Page IconTo Next Page
To Previous Page IconTo Previous Page
To Previous Page IconTo Previous Page
Loading...
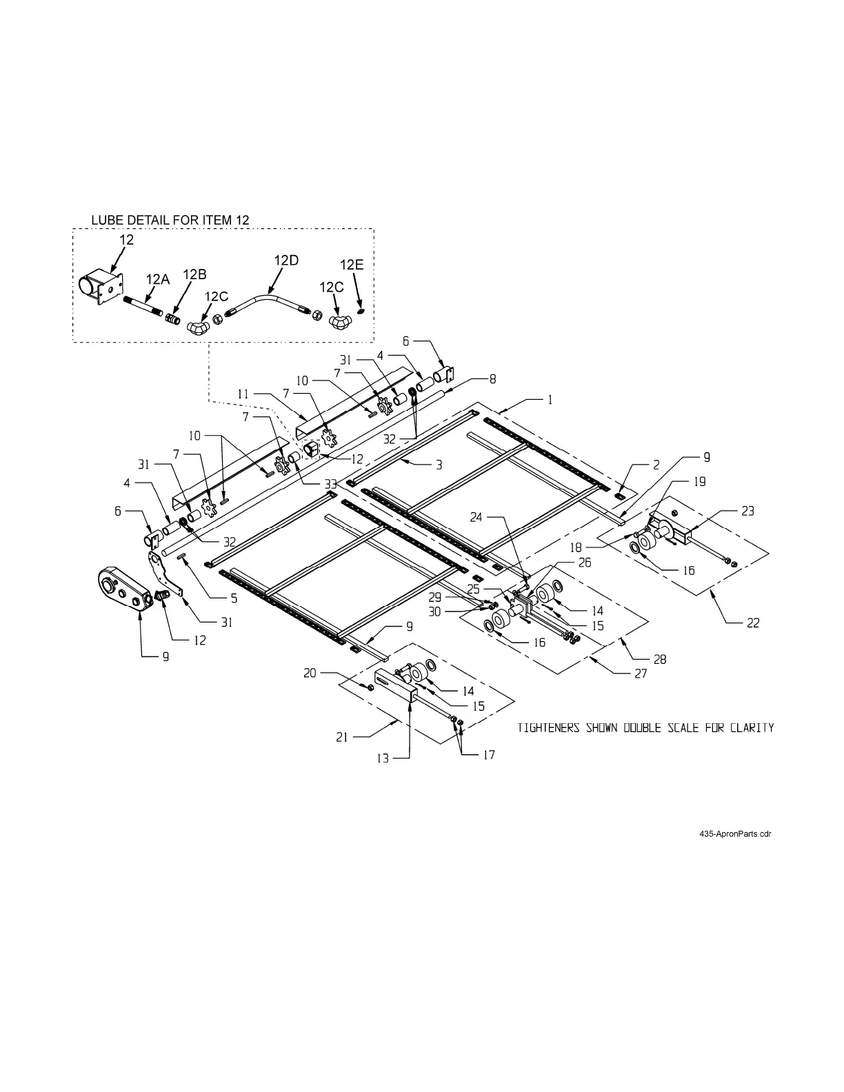
Page 32 Model 435
APRON PARTS

Related product manuals