EasyManua.ls Logo

Meyer's 435 Tandem - Beaters and Related Parts

Meyer's 435 Tandem
52 pages
Print Icon
To Next Page IconTo Next Page
To Next Page IconTo Next Page
To Previous Page IconTo Previous Page
To Previous Page IconTo Previous Page
Loading...
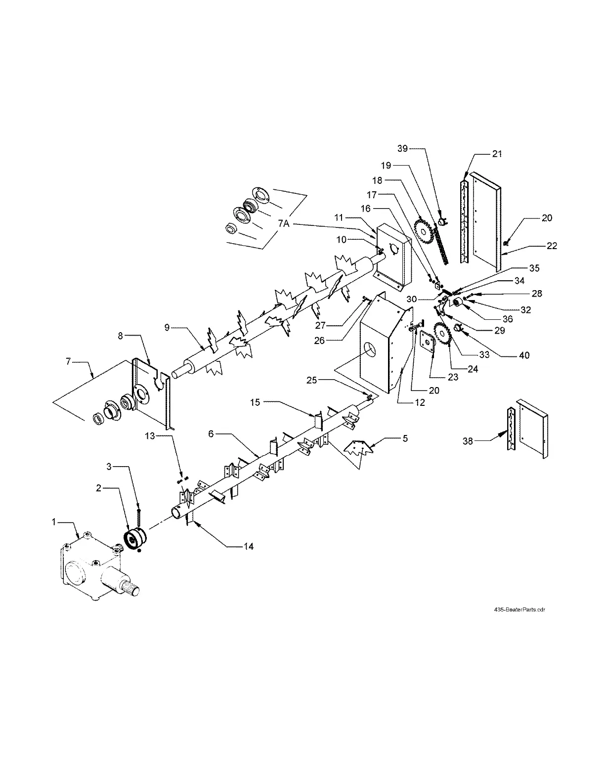
Page 46 Model 435
BEATERS AND RELATED PARTS

Related product manuals