EasyManua.ls Logo

Meyer's 435 Tandem - Apron and Lower Beater Drive

Meyer's 435 Tandem
52 pages
Print Icon
To Next Page IconTo Next Page
To Next Page IconTo Next Page
To Previous Page IconTo Previous Page
To Previous Page IconTo Previous Page
Loading...
Page 34 Model 435
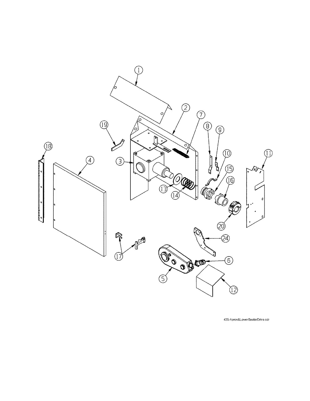
APRON AND LOWER BEATER DRIVE

Related product manuals