EasyManua.ls Logo

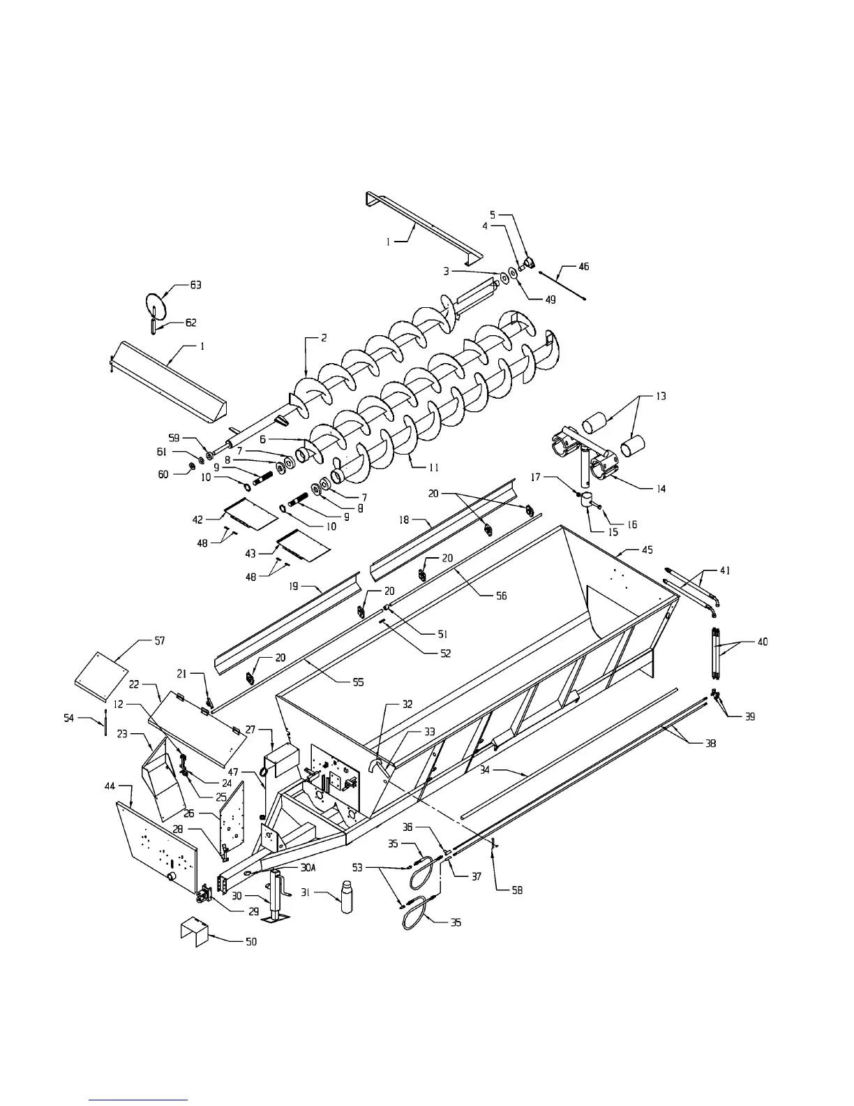
Meyer 8720 - Body, Shields & Augers - 8865 Spreader

Default Icon
64 pages
Print Icon
To Next Page IconTo Next Page
To Next Page IconTo Next Page
To Previous Page IconTo Previous Page
To Previous Page IconTo Previous Page
Loading...
Model 8720/8865 -42-
BODY, SHIELDS & AUGERS - 8865 SPREADER

Related product manuals