EasyManua.ls Logo

MFJ 1798 - Page 18

MFJ 1798
30 pages
Print Icon
To Next Page IconTo Next Page
To Next Page IconTo Next Page
To Previous Page IconTo Previous Page
To Previous Page IconTo Previous Page
Loading...
MFJ-1798 Vertical Antenna Instructions
17
36- Connect the black wire (from the coax center conductor) to the 2 meter
element by removing the #10 mounting nut and replacing it over the black
wire's solder lug (see Figure 5).
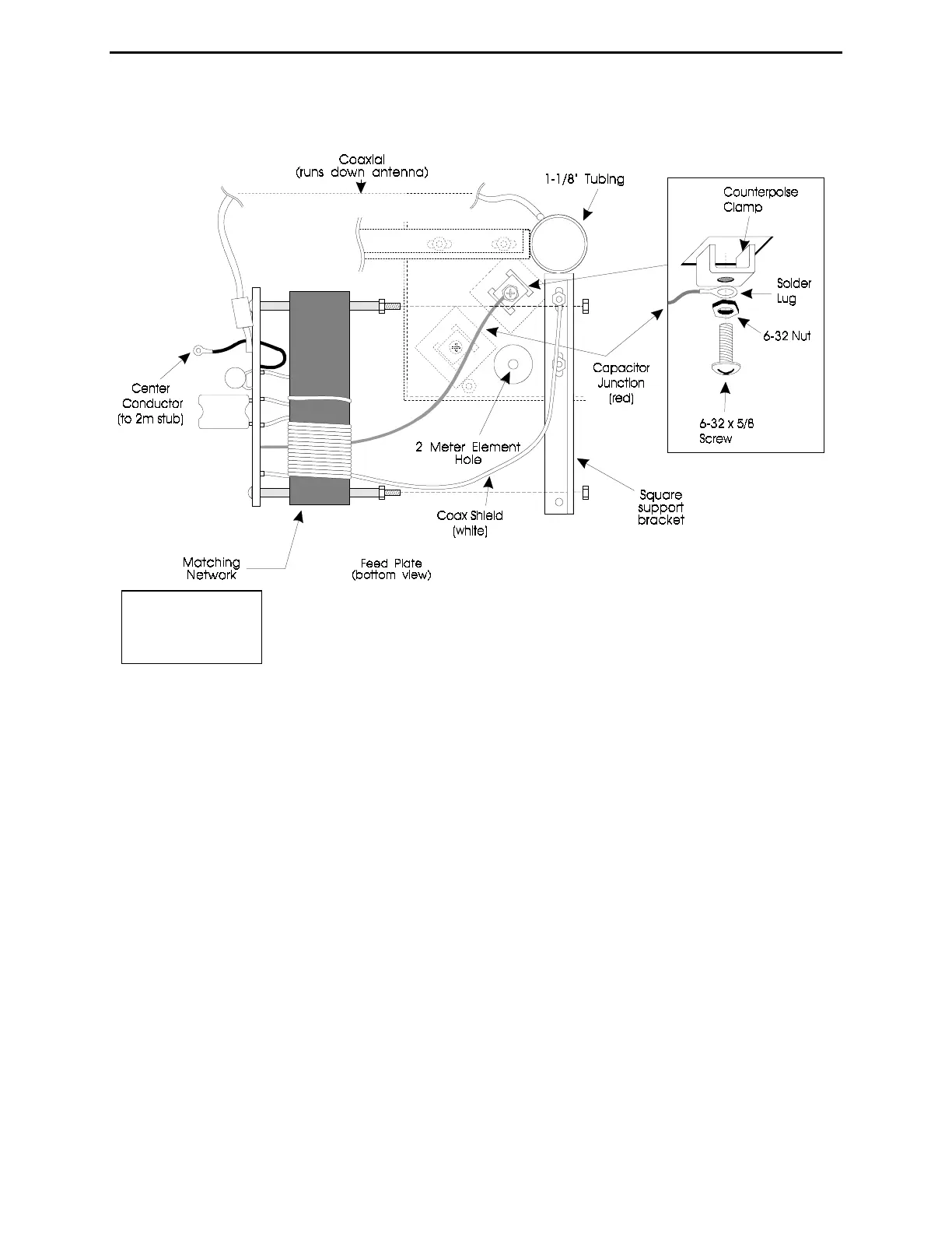
37- Attach the matching network to the square support bracket (coaxial cable towards center of
antenna) by inserting the 6-32 x 3" screws in the matching holes. Install two new 6-32 nuts to
secure the coil's mounting screws to the rectangular bracket (see Figure 7).
Figure
7

Related product manuals