EasyManua.ls Logo

MHG Heating ProCon 16 - Page 23

Default Icon
114 pages
Print Icon
To Next Page IconTo Next Page
To Next Page IconTo Next Page
To Previous Page IconTo Previous Page
To Previous Page IconTo Previous Page
Loading...
© MHG Heating Ltd
23
MHG Heating Ltd Unit 4 Epsom Downs Metro Centre, Waterfield, Tadworth, Surrey KT20 5LR
Telephone 08456 448802 Fax 08456 448803 Email info@mhgheating.co.uk
Web www.mhgheating.co.uk
010711
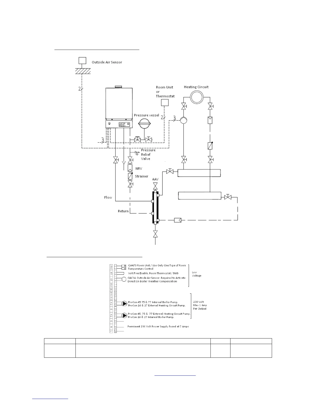
8.3 Hydraulic Design Single Unit (Option 4)
Electrical Connections Single Unit (Option 4)
Parameter # Parameters Description Default Proposed Change
H554 b3
Weather Compensation (1) / Constant Flow Temperature Operation
(0)
(E10 Error signal when outside air sensor is not installed.)
1 0

Related product manuals