EasyManua.ls Logo

MICRO-AIR RP4 - Rpo4 Wiring Diagram

MICRO-AIR RP4
28 pages
Print Icon
To Next Page IconTo Next Page
To Next Page IconTo Next Page
To Previous Page IconTo Previous Page
To Previous Page IconTo Previous Page
Loading...
22
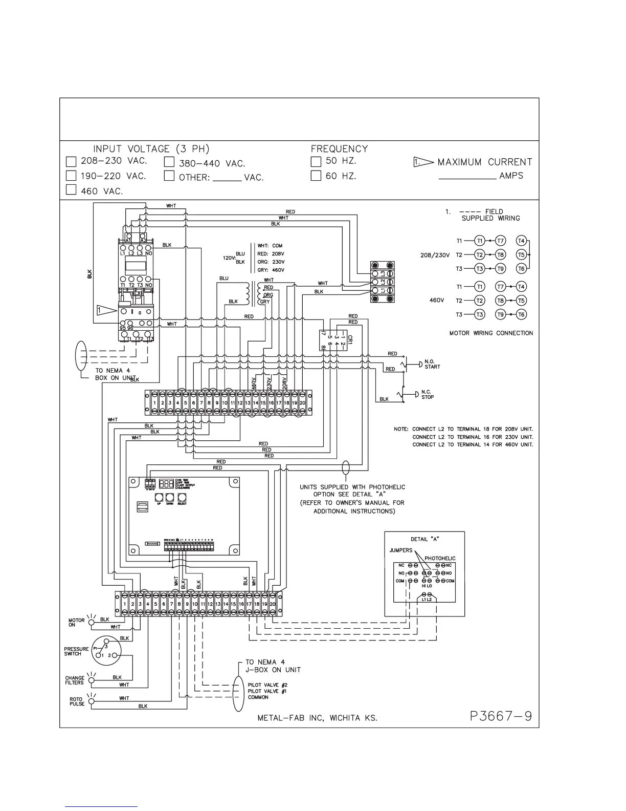
FIGURE 20
RPO4 WIRING DIAGRAM
RPO4